最好的电子音响科技diy制作网站
高级搜索
|
网站地图
|
TAG标签
RSS订阅
[
设为首页
] [
加入收藏
]
主页
最新DIY
音响DIY
电子DIY
科技DIY
电脑DIY
生活DIY
DIY视频
软件下载
DIY材料
搜索
检索标题
智能模糊
搜索
热门标签:
唱放
收音机制作
LM3886
胆机套件
el84胆机
惠威书架箱
6922
6V6胆机
电路图
机器人昆虫
当前位置:
主页
>
电子DIY
>
收音 无线电
>
其他无线电收发
>
业余调频发射电路集萃
时间:
2012-09-03 16:04
来源:
未知
作者:
admin
点击:
次
编者按:本文较详尽地介绍了颇有代表性的几款业余情况下容易制作成功的88~108MHz调频广播范围内的小功率发射电路,其中有简易的单管发射电路,也有采用集成电路的立体声发射电路。主要用于调频无线耳机、电话无线录音转发、遥控、无线报警、监听、数
编者按:本文较详尽地介绍了颇有代表性的几款业余情况下容易制作成功的88~108MHz调频广播范围内的小功率发射电路,其中有简易的单管发射电路,也有采用集成电路的立体声发射电路。主要用于调频无线耳机、电话无线录音转发、遥控、无线报警、监听、数据传输及校园调频广播等。
单声道调频发射电路
图1是较为经典的1.5km单管调频发射机电路。电路中的关键元件是发射三极管,多采用D40、D50、2N3866等,工作电流为60~80mA。但以上三极管难以购到,且价格较高,假货较多。笔者选用其他三极管实验,相对易购的三极管C2053和C1970是相当不错的,实际视距通信距离大于1.5km。笔者也曾将D40管换成普通三极管8050,工作电流有60~80mA,但发射距离达不到1.5km,若改换成9018等,工作电流更小,发射距离也更短。电路中除了发射三极管以外,线圈L1和电容C3的参数选择较重要,若选择不当会不起振或工作频率超出88~108MHz范围。其中L1、L2可用∮0.31mm的漆包线在∮3.5mm左右的圆棒上单层平绕5匝及10匝,C3选用5~20pF的瓷介或涤纶可调电容。实际制作时,电容C5可省略,L2也可换成10~100mH的普通电感线圈。若发射距离只要几十米,那么可将电池电压选择为1.5~3V,并将D40管换成廉价的9018等,耗电会更少,也可参考《电子报》2000年第8期第五版《简易远距离无线调频传声器》一文后稍作改动。
图1介绍的单管发射机具有电路简单,输出功率大,制作容易的特点,但是不便接高频电缆将射频信号送至室外的发射天线,一般是将0.7~0.9m的拉杆天线直接连在C5上作发射的,由于多普勒效应,人在天线附近移动时,频漂现象很严重,使本来收音正常的接收机声音失真或无声。若将本发射机作无线话筒使用,手捏天线时,频漂有多严重就可想而知了。
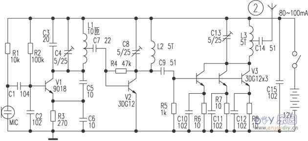
图2为2km调频发射机电路。本电路分为振荡、倍频、功率放大三级。电路中V1、C2~C6、R2、R3及L1组成电容三点式振荡器,其振荡频率主要由C3、C4和L1的参数决定,其振荡频率为44~54MHz,该信号从L1的中心抽头处输出,再经过C7耦合至V2放大,由C8和L2选出44~54MHz的二倍频信号,即88~108MHz,此信号由C9耦合至V3进行功率放大,V3由3只3DG12三极管并联组成,可扩大输出功率。该电路正常工作时,电流约80~100mA。组成V3的三只3DG12可加上适当的散热片,以防过热。制作时L1~L3用∮0.31mm漆包线在∮3.5mm圆棒上单层平绕。
图3为一种实用的50m调频型无线耳机发射部分电路。该电路分为振荡和信号放大部分。L1、C2~C5、V1等组成与黑白电视机高频头本振电路类似的改进型电容三点式振荡器,频率稳定性好,长时间工作不跑频,实践证明,业余情况下,采用该改进型的电容三点式振荡器完全能胜任。笔者用电烙铁直接烙焊V1的集电极数秒钟后,在三极管的温度很高的情况下,用普通收音机接收仍很正常,无跑频现象。振荡器的频率主要由L1和C2决定,通过微调L1,可以覆盖88~108MHz范围。音频信号经R6、C11耦合至V1的基极,V1的e、b极间电容随音频电压的变化而引起振荡频率的变化,实现频率调制。该电路中L1~L3用∮0.31mm漆包线在∮3.5mm圆棒上单层平绕。通过调整L1匝间间距微调振荡频率,再微调L2、L3的匝间间距以谐振于振荡频率,获得最大输出功率。
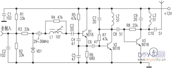
图4为晶振式发射机电路。电路中J、VD1、L1、C3~C5、V1组成晶体振荡电路。由于石英晶体J的频率稳定性好,受温度影响也较小,所以广泛用于无绳电话及AV调制器中。V1是29~36MHz晶体振荡三极管,发射极输出含有丰富的谐波成分,经V2放大后,在集电极由C7、L2构成谐振于88~108MHz的网络选出3倍频信号(即87~108MHz的信号最强),再经V3放大,L3、C9选频后得到较理想的调频频段信号。频率调制的过程是这样的,音频电压的变化引起VD1极间电容的变化,由于VD1与晶体J串联,晶体的振荡频率也发生微小的变化,经三倍频后,频偏是29~36MHz晶体频偏的3倍。实际应用时,为获得合适的调制度,可选择调制频偏较大的石英晶体或陶瓷振子,也可以采用电路稍复杂的6~12倍频电路。若输入的音频信号较弱,可加上一级电压放大电路。
简简单单的FM发谢器图纸
(责任编辑:admin)
织梦二维码生成器
顶一下
(0)
0%
踩一下
(0)
0%
相关文章
500米fm调频无线发射机器 附线路原理图
9018单管调频发射电路
1.5V微型无线话筒
一款独具特色的无线话筒
装在火柴盒里的发射器
频率稳定的简易调频发射电路
远距离FM调频发射电路
你可能感兴趣的文章
制作双稳态超声波接收机电路
不用电池的音频转发器
『MM DIY』继续折腾捡来的那对讲机。
适合爱好者自制的VHF/UHF双波段超级J
diy音频感应无线耳机耳塞的改进
------分隔线----------------------------
上一篇:
一款独具特色的无线话筒
下一篇:
不用电池的音频转发器
收藏
挑错
推荐
打印
发表评论
请自觉遵守互联网相关的政策法规,严禁发布色情、暴力、反动的言论。
评价:
中立
好评
差评
表情:
用户名:
验证码:
匿名?
发表评论
最新评论
进入详细评论页>>
栏目列表
矿石收音机
电子管收音机
晶体管收音机
其他无线电收发
调频发射/接收
天线电路
推荐内容
9018单管调频发射电路
500米fm调频无线发射机器 附线路
不用电池的音频转发器
【参赛】胆FM 脉冲计数接收机
热点内容
使用BH1417集成块制作的精致MP3
更新:2012-09-12
制作40kHZ超声波发射电路1
更新:2013-01-01
500米fm调频无线发射机器 附线路
更新:2012-12-29
易于制作的室外型调频天线放大器
更新:2012-09-12
UHF波段折合振子J形天线的制作
适合爱好者自制的VHF/UHF双波段
手机信号辐射检测探测器的制作
9018单管短波天线放大器
自制简易场强仪检测高频信号、无
易于制作的室外型调频天线放大器
500米fm调频无线发射机器 附线路
9018单管调频发射电路
自制高增益天线增强手机信号
装在火柴盒里的发射器