|
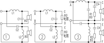
本人经过实验,根据分频器设计时都是按恒阻抗法计算的原理,采用了先用标准电阻代替扬声器对分频网络进行调试,使之符合其标准衰减斜率,然后去掉电阻,接上扬声器并加上阻抗校正网络再重新进行调试的方法获得成功,实际试听感觉不错。 例如,我们要自制一个如图1所示的分频器,先用图表法绕好线圈L1和L2,可多绕几圈以便调节。按图2连接,从AB端输入分频点频率的功放信号电压,调节L1、C1及L2、C2,用万用表 测量C、D端和E、F端电压使之符合分频点的衰减特性。然后按图3所示加入阻抗校正网络和接入扬声器进行调试,调节R1、C3及R2、C4使之符合分频点的衰减特性即可。对三分频而言也采用此方法调试,只是高频段可不加校正网络 (责任编辑:admin) |























