|
几次机会弄到了5只ALTEC的喇叭409-8E,这喇叭最初应该是设计用来做天花吸顶喇叭的,它用来装线间变压器的支架都还在。这喇叭是一只8寸加一只纸盆高音构成的同轴扬声器,8寸低音单元是我很喜欢的纸盆,悬边也是纸的,和盆是一体的,悬边上涂有阻尼胶,目的是减小失真,抑制不良共振,这也是ALTEC喇叭的一贯做法(其实,很多的老喇叭的纸质或布质的悬边都是用涂阻尼胶的方法来解决这个问题)。两个单体之间的分频器就只有一只6.8uF的电解电容。 ![]()
![]()
![]() 说到喇叭的音盆,我是很喜欢纸盆的声音的,它的声音很自然,声音不会有压缩感。特别是老的纸盆喇叭,声音更加的开放,更加的自然。为什么现在的纸盆喇叭的声音不如老纸盆喇叭那么好听,我想,这和纸盆的制造工艺有很大的关系。现在都在追求利润,追求产量,在打纸浆时,为了提高效率,缩短打浆的时间,就在打浆机上装上刀具,那么就会很快的将纸浆打碎。而以前呢,人们没有这么奸商,纸浆都是泡出来的,打浆的机器上不是装的刀具,而是棒子,是打碎的,而不是象现在是切碎的。这样,那些长纤维不会被破坏,现在的工艺将里面宝贵的纤维都切碎了。 还是先听听409-8E的声音表现吧,一开声,吓一大跳。这只天花喇叭怎么这么厉害?声音怎么这么好听?甚至超过现在很多号称的HI-FI喇叭。声音很直接,毫无压缩,非常自然的声音,灵敏度也很高(后来测试证实有96dB的灵敏度),中频结实有力,很有密度。解析力也是很高。声音的细节表现得很好。但也有不好的地方:高频部分太多,口齿音太过分。中高频部分的过度不自然,有跳跃的感觉,不流畅。高音多了,就显得中低音有点不足了,声音整体有点瘦。对这只喇叭的声音总体评价是声音的基本素质很高,但声音结构还不尽如人意,要玩好它,还得想想办法解决上述问题。 低频方面的感觉:低频感觉还是有点欠缺,量感和力度以及下潜都还没有很过人的表现。看来还要给它好好的设计一只箱体才行。 来测试一下这只喇叭,看看测试的情况如何。测试的结果出来后一看,果然是有点问题: 1、在1.5KHZ到3KHZ的地方,隆起一个8dB的大峰,带宽也有一个倍频程; 2、从1KHZ开始往高频的部分,整个的比中低频部分高出4dB. ![]()
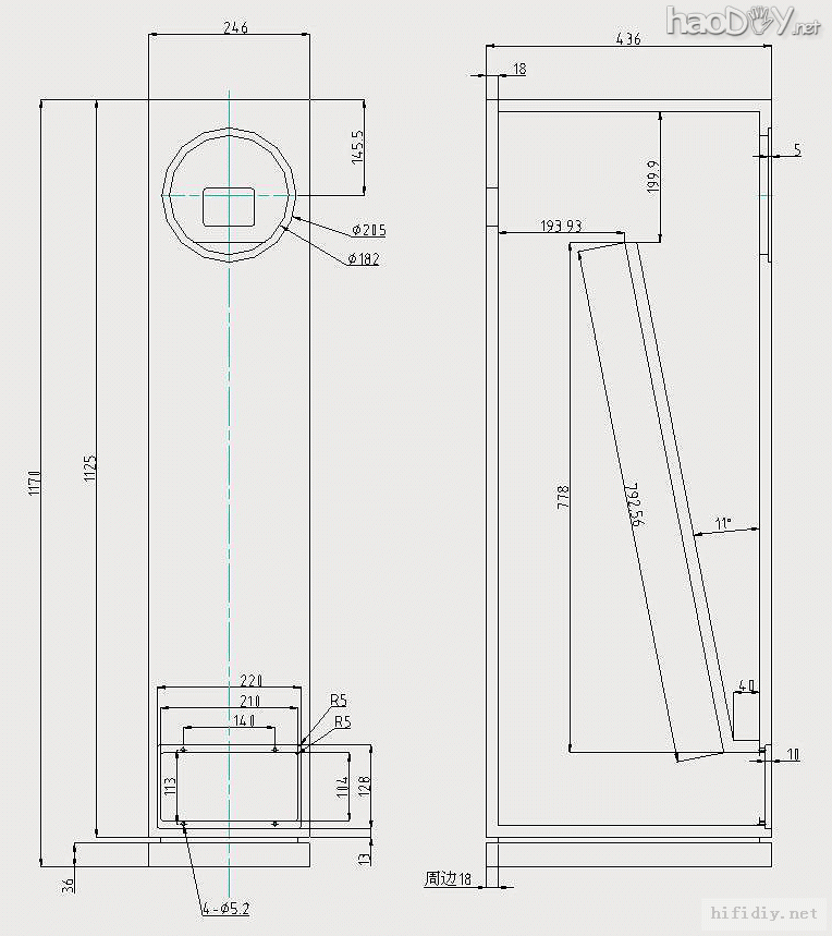
决定玩好这只喇叭的第一步工作:先为它设计一只箱体。根据喇叭参数的情况,只有设计一只TQWT箱是最适合这喇叭的了。TQWT是啥?TQWT/QWT 最早是由Paul Voigt在1930提出来,类似传输管的设计(transmission line),音箱的长度是声波长的1/4。
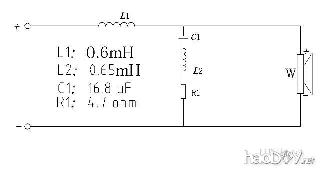
有了这样的箱体之后,409的表现已经上了一个台阶,低音的量感、下潜、力度都有了很好的表现,中低部分也丰满了许多。(如果吸音材料没有调整好的话或者箱体有泄露的话,会产生一些难听的共鸣声,很讨厌) ![]() 下图就是低音的频率响应:最上面的一条是它本身的响应,中间的那条加了0.6 mH电感,但还未使用RLC陷波器的情况,下面的那条是加了0.6 mH电感,加了RLC陷波器后的情况。 ![]()
再来看看高音的情况: 高音测试的情况很好,响应也很平坦。只是按相位和响应的要求,设计了一个两阶的线路,另外高音的灵敏度比低音高了好几dB,所以还一定要衰减,达到和中低音平衡的目的就可以了。 (责任编辑:admin) |























