|
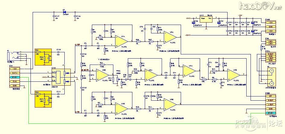
M50W是惠威推出的一款号称顶级2.1桌面多媒体音响的拳头产品,当时准备入手时,纠结在2个音箱的选择上:M50W还是M200MK3。选择惠威是必然的,因为早就是国内音响界的龙头老大了!经过反复分析,感觉自己还是习惯在听音乐时加上Super Bass,以及调高高频段,说明低音对我来说是必须的!没有低音的音乐是不能接受的!因此,我毅然决定:入手M50W!...... 购物渠道自然是淘宝!我选择了最近的惠威专卖店,1150元包邮价!比纠结当初已经涨价了!唉,涨了将近200元!不能等待了! 宝贝到家,立马试听!果然是不同凡响!特别是低音很震撼,不过感觉中高音没有达到期望效果,听歌时,齿音不清晰,怎么回事情?另外,竟然还感觉喇叭有交流声!虽然可以容忍,不过总是感觉不爽,我就准备打开箱子,看看里面的究竟了...... 因为职业关系,家里的新添家电,总是会被我解剖分析,呵呵,这下,轮到M50W了,大家等着吧,我会把过程,以及电路分析都会奉献出来的...... ![]() 关于M50W的介绍我就不啰嗦了,网上大把的。官方图片也很多,大家自己去看看。 首先,捧起低音炮,感觉对得起这个价格:),非常的沉!那个钢琴漆,也是非常棒,没的说!接下来准备好拆解工具:一个小螺丝刀,一字型的,一字宽度是3mm的那种,并且不能是质量差的那种 ![]() 拧下后面散热板上的12颗螺丝,然后拿住散热片往外拔整个散热器。注意,惠威的做功真的不错!密封很好,以至于可能会纹丝不动!不要紧,用螺丝刀在4个角的其中一个,轻轻的挖一下,一般就会有所松动。千万不要蛮干!打开后,就可以看见里面电路板的全貌啦!不过要小心拉出,因为里面有很多连线呢,按下接插件侧面的钩子,一一拔出低音喇叭线、蓝色的卫星音箱电源线、橙色的低音炮功放电源线,再拔下电源开关上的2根线(有尼龙扎带捆着,把扎带剪断)。到此为止,就可以把低音炮里面的电路板拿出来啦!哈哈哈哈 拿下电路板做啥呢?我是要进行测绘啦!分别拆下信号板、电源板、功放板,谁说M50W的密封不好?简直就是胡说!人家在接插件、电源开关等等有可能发生漏气的地方都上了胶呢!并且在信号板与底板(散热板)之间还贴有一层类似橡胶板一样的东西,彻底杜绝漏气!看来惠威做事还是挺用心的。先看看电路板吧,信号板: ![]() 电源板:(拆掉了4个电容器) ![]() 功放板: ![]() 接下来是测绘的电路图: 信号板 ![]() 从信号输入部分看,输入阻抗应该是25千欧,不知道惠威声称输入阻抗是47千欧是怎么算来的? 另外,因为使用了M62429这个芯片,受到输入信号电平的限制(最大输入电压1.7V),M50W把输入信号衰减了10/25!后面我们将看到,为了达到额定功率的输出,卫星音箱的功放增益竟然设置为45倍!这就降低了卫星音箱的信噪比,大家总是埋怨M50W的底噪大,很大一部分就是增益过大造成的! ![]() ![]() ![]() 完整信号板电路图: ![]() 再看看功放部分的电路: ![]() 图中ST-BY端子是增加功放板的待机功能而增加的,来自线控音量控制器,这样改造后,按下线控音量按钮后,功放就进入待机模式,功放芯片处于待机模式,消耗更小的电流,有效的降低了静音状态下的发热程度!当然,音量线控里面也要适当修改呢 另外,这个板子上TDA7294的静音控制电路存在不足:#p#分页标题#e# 根据官方电路,TDA7294的待机和静音控制端的控制电压有时序要求(请看官方文件) ![]() ![]() 根据官方数据,静音控制脚(10#引脚)相比待机控制脚(9#引脚),要求充电时间慢,放电时间要快。好像惠威的设计人员没有理解这个问题,似乎犯了这个小错误:把R35的阻值取值为10K,这样10#引脚的放电时间是一样的,可能会违反官方设计意图。个人认为,这个电阻的取值应该为5K左右比较合适,符合时序要求。 接下来,再看看电源板吧! 当然,电源是最为简单的了,不过却扮演着非常重要的角色,因此不能不贴图: ![]() 就剩下音量线控器的图没有测绘了。。。。。。如果需要,会补上的 大家应该发现,M50W的很多用户都在抱怨这个音箱存在比较明显的交流声!的确!我也是清楚的感受到了! 不过对于电子工程师的我,解决这个问题应该是小菜一碟!分析下电源板的PCB,不难发现,惠威的设计同样存在问题。 看图: ![]() 这个PCB的接地系统比较紊乱,没有遵循一点接地的原则。特别是:+12V的输出滤波电容器和旁路电容器的接地,竟然接在了距离接地输出点较远的地方,而且被低音炮电源回路的4700uf电容器的充放电回路所包围!另外,接地回路没有采取降低阻抗的措施,这些就是卫星音箱交流声的罪魁祸首!并且,在大音量的情况下,整流回路的充放电电流会更大,信号板的电源纹波将会更大,交流声会更加明显,不过会被更大音量覆盖而已。 ![]() 还有一点疑点:低音炮的输出功率明显大于卫星音箱,不过为什么低音炮的功放电源滤波电容容量(4700uf*2)反而小于卫星音箱的功放电源滤波电容容量(6800uf*2)? 接下来,就开始动手打磨啦! 首先从电源开刀! 前面说过,打磨电源是提高音质最容易见效的手段之一,并且不知何故,M50W的低音炮功放电源的滤波电容容量感觉不足,原机为4700uf/50V一对,考虑到尽量不要改变原机结构,选用6800uf/50V的红宝石电解电容器,该款电容器尺寸为直径22mm,身高50mm,直径一样,高度比原机的4700uf电容器高出10mm ![]() 前面说过,电源板的接地线截面不够,走向也不合理,不过几乎无法更改,只能将就了。但是截面可以增加(焊接铜线),并且拆去信号板电源的输出滤波电容器和旁路电容器 ![]() 同时把拆掉的2个104电容器焊在接插件输出端。经过实际测量和试听,交流声完全消除! 说到交流声,M50W的交流声来自2个方面:1是上述原因使得信号板电源交流纹波过大造成的、来自卫星音箱的交流声;2是因为低音炮音箱内部的环牛质量不好,铁芯浸漆不佳松动,从环牛内部发出的交流声(即所谓的“牛叫”)。我把环牛拆下,剥去外层的绝缘层,将环牛放入铁罐中,再加满绝缘漆后通电加热至滚烫!然后冷却2天后再次通电试验,感觉效果不是非常明显。原因也是显然的:变压器内部至少还有2层绝缘层,阻断了绝缘漆的进一步渗入!唉!除非更换变压器或者全部拆掉绕组重新绕制,就忍忍吧! 不过还好,将环牛放入音箱,再加垫了一层厚海绵,然后装上后板之后,牛叫声基本听不见了!不过在我的心里,还是感觉到了:( 另外,因为更换了卫星音箱的3寸喇叭,阻抗也变更为4欧姆,为了TDA7265的安全,增加了一块直流伺服电源板,将双20V降压为双16V,并且因为伺服电源的加入,卫星音箱的供电质量得到根本保证!(说明:伺服电源是采用LM317与LM337组成的,伺服运放为LF353,或者NE5532等其它双运放) ![]() ![]() 还有,我将信号板电源的输入也改接到伺服电源的输出,这样应该也提高了信号板电源的质量!至此,电源部分打磨完毕!请看完成后完成组装的图片: ![]() #p#分页标题#e#![]() ![]() 电源打磨完毕,接下来打磨信号板! 首先我对信号的输入部分很是不满意!白白的衰减掉60%之多!实在是不该呀! 一,短路输入串联电阻R24、R25,这样电路的输入阻抗为10K,信号电平=输入电平 ![]() 同时,也拆去了旁路电容器C80、C81(容量未知,估计不超过100P) 二,更换元件: 1,拆掉信号板的电源滤波电容C55、C56,更换为黑金刚KZH220uf/16V电解电容器 2,拆掉C110、C111、C123、C124,更换为德国威马WIMA MKS2 1uf63V电容器, ![]() 三,增加线控音量的待机控制功能,先看图 ![]() 图中,绿色线就是增加的线路。其实惠威在设计中好像就考虑了这个功能,不过不知道为什么,并没有使用这个功能,使得从线控器-信号板-功放板的接插件上都空出了一个端子,哈哈,既然被我发现了,就再次加上吧! 具体操作: 1,打开线控器,找到静音状态下,驱动红色LED的那个三极管的集电极,然后把一支1N4148二极管的阴极焊接上去,二极管的另外一端(阳极)焊接到电缆的黄色线上(此线悬空着),这样,线控器部分改造完毕! 2,连接线控插座到信号板输出插座的控制线(图片待我再次拆机拍照后补上); 3,连接功放板上的控制线,请看图片: ![]() 注意:功放板上的信号线插座上只有一个5#端子是空闲的,现在已经被用作待机(静音)控制了。这5个端子的功能分别是: 1:超低音信号 2:右声道信号 3:左声道信号 4:接地 5:待机(静音)控制信号 ![]() 请注意:线缆中,黄色线就是用来控制待机(静音)的 接下来,就到音箱啦! 说实在的,惠威的这款音箱是很好看的,庄重、朴实,比起T200B和M200MK音箱,我最喜欢这款M50W了! 自从感觉这款音箱的中高音比较弱之后,对音箱就比较关心。一次偶然的机会,为解决妈妈家车库的漏雨问题,在车库的阁楼上,竟然发现了弟弟淘汰了的一对音箱,捡起来一看,嘿!还是JVC的呢,看看做功还是不错的,就拿回家当做M50W卫星音箱试试。 这是音箱后面的标签 ![]() 打开电源,接上DVD,放入一张姜育恒的专辑《女人的选择》,哇!感觉出来了!声音明显亲近多了!看来主要问题还是在卫星音箱! 我们来个对比吧: ![]() ![]() #p#分页标题#e# ![]() 就外表看,就感觉这个JVC喇叭不一般呢。再看看特写: ![]() ![]() ![]() 把喇叭拆下,修改安装喇叭的圆孔,因为JVC的喇叭比较大些 ![]() 装上喇叭: ![]() 呵呵,当然焊好喇叭线 忘记一点:拆下原来喇叭后,可以看见里面的分频器,用一个一字螺丝刀,用力把里面的分频器撬下来,然后焊下喇叭线,拆下分频器上的一个4uf电容器,串联在高音喇叭中,再并联在JVC喇叭上,这样,中高音喇叭就都是 4 欧姆的阻抗啦! 装上喇叭面罩,发现不能按到底了,有约3mm的间隙,不过不影响外观,下图就是装好面罩的样子,仔细看,侧面有缝隙: ![]() 至此,音箱也就打磨完毕了!接下来打磨功放板啦,哈哈哈哈 不过还是请等到明天再说吧 ![]() 继续编辑! 让大家久等了!接下来谈谈功放板,先看看功放板照片: ![]() 下面是完成打磨后的照片: ![]() ![]() 板子上,除了功放芯片,输入耦合电容器,其它材料实在是一般,2个芯片中间的一堆元件其实是静音控制电路,只是在接通电源的时候起作用。 需要打磨的地方: 1。更换电源滤波电容器C38、C39,原机规格是220uf/50V,更换为330uf/50V; ![]() 2。更换TDA7265的2个电容器C34、C35,更换为音频专用电容器,同容量; ![]() 3。更换C33,原机为22uf/50V,更换为音频专用电容器,容量可以适当加大到47uf。 ![]() 另外,在信号板打磨时说过,因为短路了R24、R25,信号电平增加超过一倍,这样可以适当降低卫星音箱的功放增益,原机增益值A=R14/R16=45(倍),准备2个47K的金属膜电阻,分别并联在TDA7265的2—4脚与4—8脚之间,这样就把电压增益降低为23,可以明显的感觉到底噪得到有效的抑制。 ![]() 记得事先仔细配对下2个电阻的阻值,尽量的一致 下次打磨,我还准备更换低音回路的输入耦合电容器,原机是0.33uf,准备更换为1uf WIMA。#p#分页标题#e# 此外,用烙铁仔细加粗输出回路的导体截面(如上图2、4脚为输出端) 再比如这里: ![]() 4。修改静音控制回路,加入静音待机功能 增加一根线: ![]() 测试过程:在静音状态:5#端子(最左边)的电压约1V左右,正常放音状态,电压约8V左右。同时测量TDA7294的9、10脚和TDA7265的5脚电压,静音状态,分别是1V、1V、18V,正常放音状态是7V、7V、10V。 本人认为,更换元件必须是有目的的,比如电解电容器,不需要全部更换,要看这个电容器在电路中的功能,比如板子中间的电容器,都是静音控制用的,决定时间常数用的,对改善音质没有丝毫作用。 还有一点:在打磨中,实测低音炮的功放电源电压竟然达到了双47V之多!难怪有用户反映这个箱子会烧!我分析可能是重要原因!因为TDA7294的极限电压是50V! 我想,惠威应该适当的降低变压器双29V的电压,以策安全。 ![]() ![]() 可见,这个电压对于TDA7294,是比较危险的! 正好,我在增加待机功能进行测试的过程中,不小心损坏了TDA9294的静音控制端口,造成无输出,坏事变好事,我趁机去淘宝买了一片TDA7293,因为这个芯片的耐压比7294增加10V,达到60V!并且其它性能几乎一样,有些网友甚至感觉7293比7294更加出色呢! 对比2个芯片: TDA7294的极限工作电压: ![]() TDA7293的极限工作电压: ![]() 电气参数对比: ![]() ![]() 照片对比: ![]() 看看安装好的芯片: ![]() 哈哈,这样,我的M50W就安全啦! ![]() 整个打磨分了2个阶段: 一,首先是更换了电容器等以及部分元件参数,以及更换喇叭和修改卫星音箱的分频器,特地拿去专卖店跟M200MK3比较了,发现高音明显超过K3,声音清晰明亮,通透感很强!听人声部分,感觉磁性十足!比较K3,高音没有那么亮了,不过中音部分以及人声部分,比M50W明显!也就是说,相比K3,M50W的声音有点空,声场感没有K3饱满,站在音箱前方,K3体现了这个乐队以及演唱者的方位,但是M50W的中高音被分裂为左右2块,立体感是比较明显的,但是乐器定位比较困难。 二,针对以上问题,回家仔细分析原因,我认为是卫星音箱的带通滤波器在作怪!于是,再次拆开低音炮后板,把信号板稍作修改,将立体声信号从FM62429的输出端直接送到板子的输出端,跳过了电子分频器! 开机试听! 嗯!不同了,2个音箱之间的空洞感消失了!中音也上去了!可以定位乐器了! 另外,我还做了个测试,就是用示波器的标准信号(1000HZ,0.5V,占空比50%)作为信号输入,测试卫星音箱的输出电压波形,修改前后的变化是明显的! 这是方波输入信号:0.5Vp-p ![]() 扫描时间是每格2微秒 #p#分页标题#e# ![]() 下面是输入输出电压波形,左边是输入电压波形(0.5Vp-p),右边是输出电压波形(5Vp-p) ![]() 输出电压衰减刻度(探头1:1) ![]() 扫描时间是每格0.5微秒 ![]() 根据输出波形可以大概判断出:输出信号比输入信号延迟了大约1微秒。不过,如果接入带通滤波器,这个延迟大约是10微秒!哇塞!提升的确是很大呀!是不是可以说,这个功放的瞬态响应应该比原机提高10倍! 再看看卫星音箱在静音状态下的输出噪声电压吧: ![]() 大约为5mV样子,紧贴喇叭,勉强可以听到丝丝的噪声。 (责任编辑:admin) |























#p#分页标题#e#






















































