最好的电子音响科技diy制作网站

haoDIY_音响电子电脑科技DIY小制作发明

当前位置: 主页 > 电子DIY > 电源DIY > 稳压电源 >

用LM338制作24V集成电源稳压器

时间:2012-09-02 11:54来源:未知 作者:admin 点击:
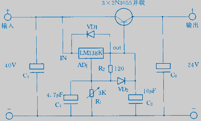
这个电路工作原理是;由于LM338K稳压作用,保证2N3055基极电压恒定。当某种原因输出电压下降(或升高)时,2N3055基极发射极极间电压升高(或下降),这时2N3055集电极发射极极间电压下降(或升高),从而达到稳定输出电压的目的。电路中C1、C2能提高纹波抑制
这个电路工作原理是;由于LM338K稳压作用,保证2N3055基极电压恒定。当某种原因输出电压下降(或升高)时,2N3055基极——发射极极间电压升高(或下降),这时2N3055集电极——发射极极间电压下降(或升高),从而达到稳定输出电压的目的。电路中C1 、C2 能提高纹波抑制比,VD1 、VD2 是防止C1 、C2放电损坏LM338K,R1 、R2是用来调整电压的。R2取值在120Ω~240Ω之间,按Vout=1.25(1+R1/R2)V公式计算R1值。当稳压电源器输出等于24V时,LM338K输出约等于24.7V
用LM338制作24V集成电源稳压器 (责任编辑:admin)
织梦二维码生成器
顶一下
(1)
100%
踩一下
(0)
0%
------分隔线----------------------------
发表评论
请自觉遵守互联网相关的政策法规,严禁发布色情、暴力、反动的言论。
评价:
表情:
用户名: 验证码:点击我更换图片
栏目列表
推荐内容