|
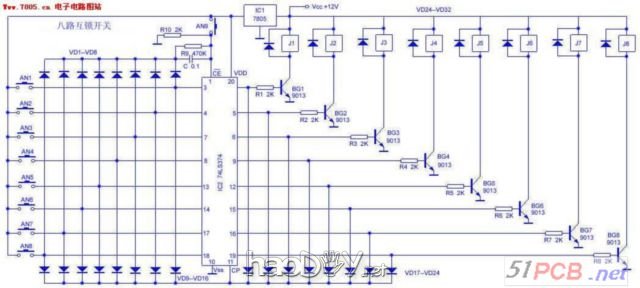
工场中常用多路互锁开关来节制多台事变电机。早期的多路互锁开关,是用多组电磁继电器直接制成的,固然电路简朴,但常出妨碍,行使很不利便。笔者用三态八D锁存集成电路74LS374制成八路互锁开关,可完全代替早期的多路互锁开关,它具有事变靠得住,行使利便等特点。电路如附图所示。
电路事变道理 电路供电电源为12V ,再由IC1(7805)稳压输出5V电源供应IC2(74LS374)作为事变电压。IC2和外围相干元件构成八路互锁开关电路,现由继电器J1~J8构成开关执行器件。IC2的各引脚成果已在图中标注。①脚EN为使能端,低电平有用,以是这里把①脚直接接地。D1~D8为触发端,CP为时钟端,Q1~Q8为输出端等。当依次按动按钮开关AN1~AN8时,对应的各触发端D1~D8和CP端别离处于高电平,此时输出端Q1~Q8也依次输出高电平,该高电平通过对应的晶体管使继电器依次事变。不只云云,各开关的事变还可恣意选择。该电路要完成上述正确的逻辑成果,还需设两种帮助电路: 1、开机延时电路:由R9、C2、BG9管和继电器J9等构成,延时电路的时刻由R9与C2值抉择。当12V电源加到电路时,IC1起首事变,将5V电源加到IC2上,让IC2不变事变。之后通过延时电路使继电器J9事变,其触点J9-0闭合,再把12V电源加到IC2的输出级上。其浸染是当开机电源攻击电路时,可避开IC2输出端因酿成高电平而导致全部继电器的吸合。 2、开机清零电路:由电容器C3和R19构成微分电路。当开机延时电路事变时,继电器J9事变,其触点J9-0闭合,由微分电路对电源电压微分发生一正脉冲加到CP端,到达开机清零,使各执行继电器处于开释状态,守候触发。 (责任编辑:admin) |


















