|
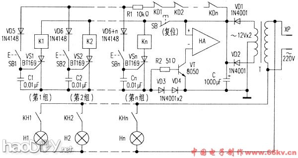
一、事变道理 电路如下图所示,它由N路抢答开关电路、N路灯光电路和公用声响电路、电源调动电路等构成。
当角逐者都没有按抢答器按钮SB1-SBn时,单向晶闸管VS1~VSn均处于截至状态,对应继电器K1~Kn亦处于开释状态,其常开触点KH1~KHn割断电灯H1~Hn供电回路,使之不发光;同时,三极管VT无偏压而截至,蜂鸣器HA不发声。 抢答开始后,若是第1小组争先按动了SB1按钮,则VS1导通,K1通电吸合,KH1触点闭合,指示灯H1发光;与此同时,K1的常闭触点KD1断开,使其他小组按动SB2~SBn按钮时,对应VS2~VSn都无法得到触发电流而仍保持截至状态,K2~Kn亦无法吸合,则第1小组得到抢答权。 其它,只要K1~Kn中任何一个继电器吸合,则串入供电回路的二极管VD3、VD4两头便发生约1.5V直流电压,经R2限流后,节制VT饱和导通,使HA通电发出响声,暗示已有小组得到抢答权。当主持人按动一下复位按钮开关SB时,电路即规复初始状态,以便开始下一轮抢答。 电路中,R1为VS1-VSn触发端的共用限流电阻,R2为VT的限流电阻。C1~Cn别离为VS1~VSn触发端的交换旁路电容器,其首要浸染是消除由SB1~SBn传输线引入的外界杂波感到信号,防备对应VS1~VSn误触发。VD5~VD6+n为断绝二极管,停止VS1~VSn彼此间产生滋扰。 二、元器件选择与建造 VS1~VSn均选用BT169或MCR100-1等小型塑封单向晶闸管。K1~Kn均用jzx-17F/12V-2Z小型中功率电磁继电器。HA用直流事变电压12V、事变电流≤1A的蜂鸣器或电铃。 (责任编辑:admin) |
















