|
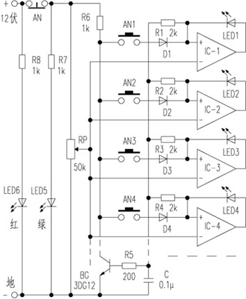
按照“线路简朴,本钱低廉,元件易得”的原则,操作运放LM324计划并建造乐成的抢答器电路如图所示:
接通电源,调解RP使各运放的反相输入端有必然的电压,因为各运放的同相端别离通过R1~R4以及R5?BG的be结接地,因此各运放都输出低电平;当按下AN1时,R6和R1分压(因C的电压不能突变,BG还没有导通),使运放IC-1的同相输入端发生必然电压,此电压高于反相输入端电压,运放IC-1输出高电平,经LED1反馈到同相输入端而自锁,同时电流经R1?R5?BG的be结到地,一方面使LED1保持点亮;另一方面为BG提供基极电流?C的延时浸染竣事后,BG饱和导通,其他按钮纵然再按下,响应运放的同相输入端因无较高电压而不会输出高电平,从而担保了先按按钮抢答乐成的独一性?按AN复位后,方可举办第二轮抢答? 本电路调试前先用较大容量的电容C,调解RP使各运放反相输入端电压在4V阁下,然后在各路能靠得住触发的环境下再只管减小C的容量. (责任编辑:admin) |















