|
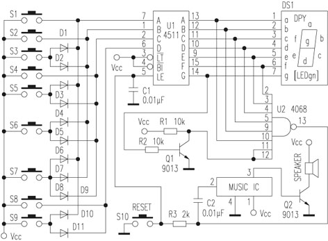
本抢答器通过异常奇妙的计划仅用两块数字芯片便实现了数显抢答的成果,与其他抢答器电路对较量有判别时刻极短、布局简朴、本钱低、制作利便等利益,而且尚有防作弊成果。
S1~S9为9个抢答按键,CD40鼙是BCD码7段译码器,CD4068是八输入与非门,VD1~VD11起对轻触按键举办BCD编码的浸染。初始状态下,CD40鼙驱动LED数码管表现0,即A、B、C、D、E、F这六个笔画为1,G笔画为0。现将G笔画信号用三极管反相,把0对应的笔画信号变为满是1,然后将这些笔画信号送给八输入与非门CD4068。按照与非门的逻辑相关可知CD4068输出为0,这样7段译码器CD40鼙就处在了译码状态。由于除0外的其他数字对应的笔画信号不全为1,不能使CD4068输出1,也不能使7段译码器CD40鼙处于译码状态。以是当有按键按下时,CD4068就输出锁存信号0,致使7段译码器CD40鼙把所键入的数字锁存表现。这样后按下的键就不起浸染了。数码管上就只表现最先按下的键号。起到了抢答的浸染。 |

















