|
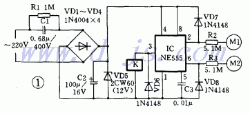
图1和图2是回收555时基电路建造的双键触摸开关与单键触摸耽误开关。图1中M1是“开”触摸片,当人手触碰时,人体感到的杂波信号加到时基电路的低电平触发端IC的②脚,电路置位,③脚输出高电平,继电器K得电吸合,其常开触点闭合,被控电器通电事变。M2为“关”触摸片,一旦触碰,人体感到的杂波信号加到555的阈值端IC⑥,电路复位,③脚输出低电平,继电器失电跳闸,被控电器遏制事变。
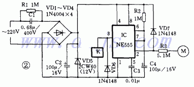
图2是耽误开关电路,555集成块接成单稳态触发器,平常处于复位状态,继电器K不举措。当M受到触摸时,电路被触发进人暂态,③脚输出高电平,继电器K吸合,被控电器事变。暂态时刻t=1.1R2 X C4,暂态时刻竣事,电路翻转成稳态,继电器K开释,被控电器遏制事变。
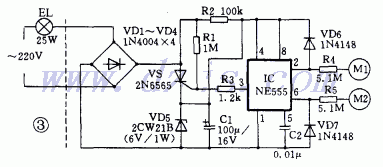
图3是一个电源电路采纳非凡计划的用555时基电路建造而成的触摸开关,它对外仅两根引出线,因此可直接代替平凡开关而不必变动电源布线。EL是不大于25W的白炽灯或交换打仗器。虚线左部为平凡照明线路,右部为触摸开关电路。IC处于复位状态时,③脚输出低电平,晶闸管VS的门极通过电阻R3被钳位在低电平,故VS关断,EL不亮,此时555的事变电源由220V交换电经灯EL、二极管VD1~VD4整流、电阻R2限流、VD5稳压与IC1滤波得到约6V直流事变电压供电。当 555时基电路②脚受触发处于置位时,IC③脚输出高电平,VS开通,EL点亮发光。VS开通后,555事变电源直接由灯EL、二极管VD1~VD4、晶闸管VS与稳压管VD5组成回路,C1两头仍能得到6V直流事变电压,只是此时电阻R2不起浸染。
电路的右部时基电路部门与图1沟通,如将图2左部电源按图3窜改,也可以利便地制 成一个对外只有两根引 出线的触摸耽误开关。 有一点必要出格留意的是本电路的负载手段是由VD1~VD4、VS及VD5配合抉择的,个中单薄环节是VD5,本电路VD5回收1W、6V的稳压管,其最大通态电流为0.16A,为确保电路靠得住事变,EL宜用不大于25W的白炽灯。
图4是用双D触发器建造的触摸开关。CD4013是双D触发器,别离接成一个单稳态电路和一个双稳态电路。单稳态电路的浸染是对触摸信号举办脉冲展宽整形,担保每次触摸举措都靠得住。双稳态电路用来驱动晶闸管VS。当人手摸一下M,人体走漏的交换电在电阻R2上的压降,其正半周信号进入③脚CP1端,使单稳态电路翻转进入暂态.其输出端Q1即①脚跳变为高电平,此高电平经R3向C1充电,使④ 电位上升,当上升到复位电平常,单稳态电路复位,①脚规复低电平。以是每触摸一次M,①脚就输出一个牢靠宽度的正脉冲。此正脉冲将直接加到11脚CP2端,使双稳态电路翻转一次,其输出端Q2即13脚电平就改变一次。当13脚为高电平常.VS开通,电灯EL点亮。这时电容C3两头的电压会跌落到3V阁下,发光管VD6熄灭,因为CMOS电路的微功耗特点,以是集成块仍能正常事变。当13脚输出低电平常。VS失去触发电流,当交换电过零时即关断,EL熄灭。这时C3两头电压又规复到VD5的稳压值12V,VD6发光用来指示开关的位置。由此可见,每触摸一次M,就能实现电灯“开” 或“关”,它对外也仅两根引出线,故安装与行使都异常利便。 图5是一个回收一音乐门铃芯片KD-9300建造而成的触摸开关,电路新奇风趣。它奇妙地操作门铃芯片内部电路的成果,借助人体的泄泄电流去节制芯片内部的双稳态触发器。我们知道音乐集成电路具有极高的输入阻抗,当人手触碰“开”电极片M1时,人体的泄泄电流由R1注人音乐门铃芯片的触发端TR1,使芯片内部双稳态触发器翻转,以使整个门铃芯片泛起低电阻,三极管VT1导通,继电器K吸合,常开接点可接通被控电器。必要封锁电器时,只要触摸一下“关” 电极片M2,人体泄泄电流经R2注人芯片的Vss端,迫使集成块内部的双稳态触发器再次翻转,使整个芯片是现高电阻,VT进人截至态,K失电开释,被控电器断电。
为确保安详,连打仗摸电极片的电阻不得低于4.7MΩ的优质高阻值金属膜电阻器。 (责任编辑:admin) |






















