最好的电子音响科技diy制作网站

haoDIY_音响电子电脑科技DIY小制作发明

当前位置: 主页 > 电子DIY > 控制电路 > 遥控电路 >

制作简单实用的鼠标遥控装置

时间:2012-12-30 19:36来源:网络 作者:网络整理 点击:
免费提供各种电子制作文章、资料、图纸

 

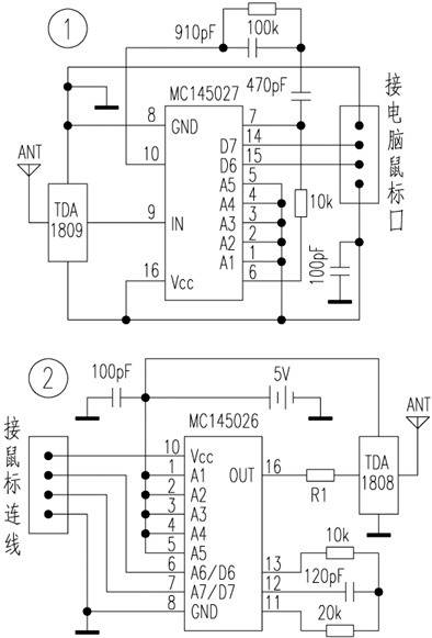
该装置操作编译码电路MC145026/MC145027和射频发射/吸取模块TDA1808/TDA1809相互共同,可以在10~120m范畴内机动哄骗鼠标,并且建造时无须对原有鼠标的外面及内部电路做任何窜改,行使起来切合操纵风俗,利便靠得住,很是得当喜爱者廉价。
    一样平常环境下,鼠标与电脑的毗连线内部有4根电路毗连线(该电路装置最多可以接管4条数据线输入,读者可按照本身鼠标的现实环境选择)别离是电源正极、电源地、数据线1、数据线2。我们将鼠标连线堵截,别离找出这4根线,操作MC145026编码电路的数据传送端D6和D7接管鼠标数据线1和数据线2传来的数据,并在芯片内部编码后经射频发射模块TDA1808发射出去。
    射频发射模块TDA1809事变后,将吸取到的编码信息输入MC145027译码电路,经其转换后在该芯片数据输出端D6和D7复兴原鼠标数据线1和数据线2的信号,并通过原鼠标与电脑的毗连线送入计较机。
    可以看出,上述电路无须窜改鼠标及计较机,无须安装特另外鼠标驱动软件,原有鼠标的全部成果亦能正常行使。
    该电路(见图1、图2)只要所选元件正常,无须调试即可事变。

 

 

制作简单实用的鼠标遥控装置

 

 

(责任编辑:admin)
织梦二维码生成器
顶一下
(1)
100%
踩一下
(0)
0%
相关文章
------分隔线----------------------------
发表评论
请自觉遵守互联网相关的政策法规,严禁发布色情、暴力、反动的言论。
评价:
表情:
用户名: 验证码:点击我更换图片