|
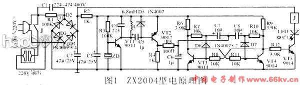
不必要拉线开关,只要用手捏一下“带嘴的橡皮球(气囊),就可节制家用电器的“开’’与“关”,到达家用电器的声控化目标。亚超声遥控开关可以应用在楼梯走道灯、台灯、收录机、电视机等家用电器装备上,具有体积小、事变不变靠得住、遥控间隔不低于10米等利益,很是得当宽大电子技能喜爱者装配行使。 一、电路的事变道理 亚超声遥控开关的电路道理图见图1,本电路由直流供电电路、触发信号发生电路和双稳态电路构成。2 2 0 v交换电压(市电)经电容降压式电路r 1、c 1降压后直接送至桥式整流电路v d 1~vd 4举办整流,再通过c 2滤波获得2 0 v阁下的较滑腻的直流电,又经降压电阻r 2和滤波电容c 3后得近8 v阁下的直流电(以上电压是指开关“断开”时的电压,开关“闭合"时,以上电压会低落),即为整个电路的直流供电电源。 vt 1和vt 2构成触发信号发生电路,r 3是vt 1的偏置电阻,z d是蜂鸣片,l c 4构成并联谐振电路,谐振频率为1 8 khz,当气囊发出1 8 khz的亚超声波时,蜂鸣器z d将吸取到的亚超声信号转换成响应的电信号,经vt 1放大,由vt l的集电极的并联谐振回路选取1 8 kh z的信号,通过耦合电容c 5送至vt 2举办放大和整形,以尖脉冲形成经r 5、c 6输出,即发生了能节制双稳态电路的触发信号。 v t 3、v t4等元件组成典范的双稳态电路,该电路具有对称性,因为v t3和vt4的机能参数不行能绝对逐一样,当v t4的放大手段略好于vt3时,当有尖脉冲输入时,vt4起首导通,vc 4≈0.3 v,促使vt 3截至,这是一种不变状态;当又有尖脉冲输入时,vt4由导通变为截至,vt 3由截至变为导通,这又是一种不变状态。当vt4导通时,v c 4≈0.3 v,通过r 1 2使vt 5截至,vc 5高平,继电器j两头的电压为o,开关j是“断开”的,发光二极管l ed也不亮。即遥控开关处于“断开’’状态。当vt4截至时,vc 4≈8 v,通过r l 2使vt 5饱和导通,vc 5≈o.3 v,继电器j两头的电压约为1 2v,开关j是“闭合”的,发光二极管l e d发光指示,即遥控开关处于“封锁”状态,插在遥控开关上的用电装备即可事变。 二、元器件选择 二极管vd l~vd7选用1 al、1 0 0 0v的1 n 4 0 o 7型二极管,出格是vd l~v d4,要担保其耐压不低于4 o 0 v。vt2选用pn p型三极管9012,别的选用npn型三极管9014。
三、安装建造 图2是亚超声遥控开关的印刷电路图。起首比较元件清单,当真核对元件及配件的数目,并用万用电表检测阻容元件、二极管、三极管等元件的质量。然后看懂道理图,认识印刷电路图。除了二极管vd 1~vd7回收卧式安装外,别的阻容元件、三极管等元件回收立式安装,并紧靠电路板,安装电解电容器、发光二极管、整流二极管、三极管等有极性元件时留意偏向,万万不要插反装错。继电器j的焊接时刻不要过长,不然会破坏开关触点,2个铜件(插座)要求焊接要平稳,不能有松动,另二个铜件(插头)用“十字’’起子牢靠在印刷电路板上。蜂鸣器装在前机壳的蜂鸣腔内,用烙铁将周边的塑料熔化牢靠蜂鸣器,再用热熔胶牢靠其二根引出线直接焊在电路板响应 处。 四、调试 在通电测试前,起首把焊好的电路板当真比较印板图搜查有无漏焊、错焊、虚焊、短路等征象。然后为了人身安详,先在c2的两头接人2 0v直流电源,检测用气囊可否使继电器j举措,如能正常开与关,即可装好外壳,举办交换调试,将遥控开关插入22 ov的交换电源上,把必要遥控的负载电器插到遥控开关的插头中,这时捏动超声息囊即可在l o米间隔内有用节制电器的开和关。 在某些农村地域晚间电压低于1 60v以下,导致继电器j不能吸合,这时可将c 1的容量加大至o.6 8uf即可正常事变。按图1所示的电路可节制200va阁下的电器,假如被控电路功率较大或是电感性负载,那么可选用触点功率较大的继电器即可。
(本站提供此电路的建造套件?ProductID=95) (责任编辑:admin) |



















