|
电力载波遥控因为不消其它布线或占用无线电频率而出格得当家庭室内回收。这里先容一种简朴、易制的电力载波遥控报警器,大概能给您的糊口带来一些利便。
事变道理:
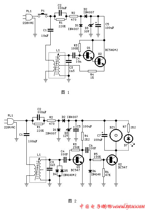
发射部门(见图1):发射部门由Q1、Q2接成复合管的情势构成频率为135KHz的哈特利震荡器。由C2、D1、D2、D3、C5等组成电压为30伏的电源部门。当按下发射按扭P1时,在L1的副变感到出的135KHz的振荡信号通过C1注入电力线路收集。
吸取部门(见图2):由发射部门过来的135KHz的正弦波通过电力线路撒播至吸取部门通过C1并由L1、C3组成的选频电路取出135KHz信号。该信号经Q1放大并整形至幅度为12V的方波信号。D4、D5组成限幅电路担保Q1的基极峰值电压小于1V,以防备电力线路收集中各类非常滋扰脉冲而破坏Q1。D6的浸染是过滤掉信号中的负极性部门,并由Q2驱动报警部门事变。C7在这里用来保持输出部门安稳,过滤掉信号中残余部门。12V电源部门由C2、D1、D2、D3、C5等构成。

建造、调试要点:
1. 调试时需细心调剃头射和吸取部门L1的磁芯,担保在发射和吸取部门的C3两头得到最大输出。
2. 有前提时在拉开间隔调试时最好能用示波器调查此时互相发射和吸取的波形。
3. 假如L1都回收455KHz的中波收音机的中周,在磁芯所有调到最低部时应得到135KHz阁下的输出频率。
4. 假如回收其余谐振频率相同的L1时,则必需同时调剃头射和吸取部门的C3,一样平常为1~3.3nF。
5. 输出部门然则蜂鸣器或LED或两者同时行使。假如只用LED,可将R7改为1K,可增进其亮度。可回收直径为10mm的LED。
6. 在选择元器件时,留意发射和吸取部门C1、C2的耐压值必需大于400V,L1可回收一样平常中波收音机用的中周,其余元件无非凡要求可参考图1、图2选择。
7. 因为电路部门直接与220伏电源相联,以是调试时要出格留意,停止直接与电路部门打仗,以免电击。该装置投入行使前电路部门应置于绝缘靠得住的塑料盒内并确保安详靠得住方可行使。
(责任编辑:admin) |