此刻家庭中TV、VCD、VCR等红外遥控发射器拥有量较广泛,本电路针对它们的机能而构想,使遥控发射器施展另一用途:发射红外信号,节制照明灯具,其节制间隔>8米。
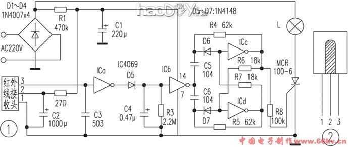
电路道理: 本电路见图1,首要由红外吸取头和IC4069构成的红外节制开关电路。红外吸取头静态时输出高电平。当收到遥控发射器送来的红外脉冲信号时,吸取头的第脚输出低电平(脉冲信号)。经ICa整形、放大、倒相而获得负脉冲信号,再由D5、C4、R3检波,延时送至ICb(到达反相器的阈值电压),致使ICb输出低电平,然后C4端电压经R3放电,使ICb输入端低于反相器的阈值电压,ICb输出端规复高电平。这样,每按动一次红外发射器,在IC6输出端就获得一个负脉冲信号,去触发由ICc和ICd构成的双稳态电路,促使双稳态电路翻转,输出H或L电平,通过R8节制单向可控硅的导通或截至,进而节制灯具的亮与灭。
220V交换电经D1~D4、R1和C1整流、降压,为电路提供+5V直流电压。
调试及留意事项: 只要元件安装无误,即可通电丈量TC4069第脚电压,一样平常为+5V阁下。若电压过低,恰当调解R1阻值。本电路空耗极微,实测功耗低于1/2W。留意:电路板带高压,测试时务必审慎,以防触电。
元器件选择: 红外吸取头的直流内阻较高,事变电压+5V(见图2)。单向可控硅SCR应与所选用白炽灯功率相等,以防过流击穿。

(责任编辑:admin) |