|
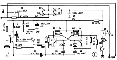
今朝,市场上具有遥控成果的开关种类有声控,光控,红外节制等。个中,亚超声遥控开关具有节制靠得住性高、辐射滋扰小、操纵便捷等利益。本文所先容的亚超声遥控电路计划简捷、事变不变、等机功耗低、建造本钱低。本文先容它的事变道理及组装安详事项。 亚超声遥控开关分为遥控发射头和吸取电路两部门。遥控头为一开有小孔的球形橡胶气囊,挤压气囊可以发出频率为16~20kHz的亚超声波作为节制源。吸取电路道理图见图1。事变道理如下:(见图1)
220V市电经电容C8降压,D2、D3、D4、D6桥式整流,电容C1滤波,获得约12V直流电压,为整个遥控吸取电路提供电源。C8并联的R3为C8的放电电阻。压电陶瓷片Y,将吸取到的亚超声振动能转化为对应频率的电能。经以Q3为焦点的牢靠偏置共射电路放大,并经并联谐振回路L1、C7选频,以解除其他声频的滋扰,防备误举措。 按图示参数,不难算了选几回率约为20kHz。该脉冲经C4耦合,由Q5放大。D1是为防备Q5发射结反向击穿而设的掩护二极管。Q5放大输出的信号,经R8、C3积分电路延时后,作为节制计数器翻转的脉冲。以Q2、Q4为焦点,加上R6、R7、R9、R10、R11、R12、C5、C6、D5构成双稳态计数器,每经R8过来一个脉冲,计数器翻转一次,使Q4的集电极输出轮番为坎坷电平状态。当Q4集电极为高电平常,Q1饱和导通,继电器J通过发光管LED接通。LED点亮,J常开触点J1吸合,输出端通电。 再次按动遥控头后,Q2、Q4构成的双稳电路翻转,Q4集电极电位变低,Q1截至,LED熄灭,继电器J事变线圈失去电流,触点J1开释,开关输出端断电。 二、组装留意事项 因为本电路事变频率低,总增益又不是太大,不易产生自激或其他非常征象。对元件要求不高,好比二极管选用较为常见的1N4001,PNP三极管可以选用9012,NPN三极管可以选用9013等。只要元件机能精采,安装无误,根基上一装即可。 必要留意的是,因为节制电源经电容降压取自220V市电。没有严酷意义的电断绝,以是此电路的各个部门都具有伤害性。在建造调试时要倍加警惕,要么在输出端加装断绝变压器,或在C1两头另接12V电源举办调试. (责任编辑:admin) |



















