早就厌倦了万用表不停的换6F22电池,尤其是不带自动关机的万用表更是个坑。有些万用表低压报警的电压比较高,电池到8V左右就报警了,然后读数就开始各种不准。如果使用2节锂电池串联供电,4V正是电池放电的好时机,太蛋疼了。![]() 自己之前也用成品的DC-DC升压板改造过万用表,但一段时间用下来,实际效果并不太好,万用表关机后空载电流都太大。下面是几种常见的DC-DC升压板实测的空载电流大小。 1、XL6009升压板。
2、XL6009空载电流18.317mA,这是个相当惊人的数字。如果一块1800mAh的电池,连接XL6009升压板 但不带负载,不到100小时就会耗尽电量,也就是说静置4天电池就没电了。
3、带显示的6009升压板。
4、空载电流27.04mA,比前面的6009还离谱。
5、MT3608升压板。
6、空载电流0.258mA=258uA,这个数值比起前两个要小不少,但也不是太理想。
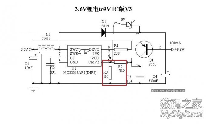
7、在网上找了很多关于9V升压板的资料,其中发现了这个MC34063升压板方案不错,原文应该是发布在手电论坛,但原文已经找不到链接了。 ![]()
8、然后在TB上居然找到了根据上图制作的成品,哈哈,真是踏破铁鞋无觅处啊~ ![]()
9、说动手就动手,自己来DIY一下咯!首先洞洞板上场~左边的环氧玻纤板质量比右边的纸板好的太多,玻纤板厚度大概1.6mm,纸板顶多1mm,而且纸板焊接的时候有股怪味,熏人。玻纤板焊、拆十次八次没问题,纸板焊上去之后,能不能完好的拆下来就难说了。玻纤板的缺点就是太结实了,切割太费力,细碎的玻纤弄到皮肤上会痒痒。
10、勾刀双面开V槽,用力掰开。
11、锉刀打磨四边毛刺,四角倒圆角。
12、圆滑的PCB做好了。
13、准备制作升压板所需的元件。 ![]()
14、主角34063,国产的。
34063是普通的,价格便宜,2毛左右1个,理论最大输出1.5A(芯片内部电流),工作温度0~70℃,功耗1.25W。 比34063高级一点的是33063,工业级的,比较贵,单价要1块以上,最大输出1.8A,工作温度-40~80℃,功耗0.9W。 万用表的功耗都在mA级的,所以选择34063足够了。 ![]() 15、三极管8550
16、104独石电容和331瓷片电容。 ![]() 17、103(10K)蓝白可调电阻,这里选用可调电阻的目的是使升压板的输出电压可调。 ![]() 34063升压方案中,通过改变图中R3和R2的阻值来达到调节输出电压的目的,这里R3选择固定的1K电阻,而R2用蓝白可调电阻代替,可以得到可调的输出电压。 ![]() 18、因为升压板的输入、输出电压都不会超过10v,所以输出电容选择了16v 330uf,输入电容选择了16v 100uf(16v 10uf也可以)。电容的耐压相比输入输出电压,留出50%左右的余量就可以了。 升压板在万用表上实测表明:使用固态电容还是普通电解电容效果是一样的,没有什么区别。 ![]() 19、从左至右依次为: 0410 150uH色环电感(图中是50uH,47uH的电感没找到,用150的代替,DC-DC电路中电感大点也无所谓吧,反正是储能元件,还能提高输出) 1K 色环电阻 200R 色环电阻 9.1V 稳压二极管 IN5819 二极管 ![]() 20、DIY完成的成品:固态版的。 ![]() ![]() ![]() ![]() 21、DIY完成的成品:电解版的。 ![]() ![]() ![]() 22、然后,一不小心做了5个。 ![]() ![]() 23、优利德UT33D万用表上场,表的体积很小巧,但里面可供改造的空间并不小。 ![]() ![]() 24、UT33D分解后的样子。 ![]() 25、PCB背面没有太多的元件,左边中上的那个小电位器是校准电压档的。 ![]() 26、PCB正面和拨盘、V片。 ![]() 27、从电池存货里找到了一种电池,电池上下的边缘正好能卡在万用表电池槽和支撑柱之间,就用它了。 ![]() ![]() 28、小电磨上场,切割掉中间的固定圆柱。防护也要做好,护目镜+1。 ![]() (责任编辑:admin) |























































