最好的电子音响科技diy制作网站

haoDIY_音响电子电脑科技DIY小制作发明

当前位置: 主页 > 最新DIY >

国庆节的礼物-电池管二级中放超外差收音机

时间:2017-05-31 22:23来源:www.crystalradio.cn 作者:直流电子管 点击:
经过了制作再生收音机和调谐高放式再生机的经历,想尝试一下性能更棒更加灵敏的收音机,于是萌生了制作两级中放超外差收音机的念头。由于将外来频率变为固定中频进行放大,因而由线圈和谐振电容组成的调谐中放回路有着较高而且稳定的增益。同时由于不必调节
经过了制作再生收音机和调谐高放式再生机的经历,想尝试一下性能更棒更加灵敏的收音机,于是萌生了制作两级中放超外差收音机的念头。由于将外来频率变为固定中频进行放大,因而由线圈和谐振电容组成的调谐中放回路有着较高而且稳定的增益。同时由于不必调节再生,所以外差机的调节还是比较简便的。另外两级中放六个调谐回路能够极大的提高选择性,对于中波而言,通常一级中放已经能够满足一般要求,两级中放的作用除了进一步提高灵敏度外主要还是对收音机选择性的提升很有帮助。
下面我就说说我的紧凑型电池管超外差收音机的制作过程。


补充内容 (2016-11-3 23:39):
http://v.youku.com/v_show/id_XMTc4OTc2MzczMg==.html?from=y1.7-2
http://v.youku.com/v_show/id_XMTc5MDAwNjAwMA==.html?from=y1.7-2

补充内容 (2016-11-3 23:40):
已经加入了测试视频,请大家过目。机器断断续续调整了一个月,终于解决了所有问题,我将把调整的细节在贴子里全部补充进来。包括具体的线圈绕制数据。
 

斜上方.jpg (296.96 KB, 下载次数: 0)

 

国庆节的礼物-电池管二级中放超外差收音机
 

正面.jpg (277.7 KB, 下载次数: 0)

 

国庆节的礼物-电池管二级中放超外差收音机

由于电子管收音机的中周体积较大,同时震荡线圈缺少屏蔽措施,因此容易产生有害交联造成震荡,而半导体收音机使用的小型密封中周,体积小Q值高,因此通过采用晶体管小型振荡线圈和中周能够有效的缩小收音机的体积,我购买了SZZ1振荡线圈和TTF2-8型中周,根据坛友的实验电路数据该绕了SZZ1型振荡线圈,初级0.08*72匝,次级30匝,用于1A2可以振荡稳定,而又不至于反馈过强。
此时我用单管再生机的底盘和一只1A2搭建了一个简易本振实验电路,证明电路工作稳定,由于振荡线圈是封闭的,所以几乎不受外界干扰,整个电路的工作情况非常理想,这也给我进一步的制作提供了理论依据,外差机本振的原理非常简单,和再生式收音机将反馈开到最大产生的振荡一样,电路结构和原理也是完全相同的,因为使用电池式电子管,所以振荡线圈的反馈部分和振荡部分应该是分开的,采用振荡屏栅(1A2二四栅极)电流作为反馈电流,因为1A2第二四栅极最高电压为45V,所以不必担心自制振荡线圈的耐压问题,是完全可以达到要求的。
根据有关数据,振荡线圈的震荡部分的电感量应当为145微亨±25微亨。
 

实验振荡电路.jpg (335.86 KB, 下载次数: 0)

 

国庆节的礼物-电池管二级中放超外差收音机

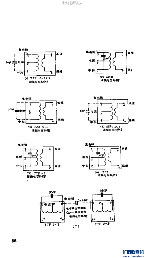
由于晶体管中周有两个线圈,和电子管中周不大一样,晶体管的输入阻抗较低,输出阻抗较高,这样就需要一个线圈作为匹配而电子管本身输出、输入阻抗均比较高,所以不需要这样的阻抗匹配电路,另一方面电子管由于屏极电压直接加在中周线圈上,因此对于中周的耐压要求较高,电子管中周通常采用双回路中周变压器,两个回路分别绕在骨架上下两端,因此绝缘性能好,晶体管中周的初级次级线圈绕在同一个骨架上,因此耐压不高,同时初次级匝数比不符合要求,另一方面晶体管收音机的中放级大多是单调谐结构,电子管收音机的双调谐中周的选择性要好一些。
但晶体管中周里边也有专门的双调谐中周,例如TTF2-7/8这两款就是专门的双调谐中周,两个中周只有初级线圈,阻抗匹配是通过改变两个中周之间初级线圈的抽头位置体现的,而用于电子管电路由于都是高阻抗电路,因此抽头就空出不用了。这种双调谐中周采用电容耦合,通过改变耦合电容的大小,可以改变中周耦合系数,例如追求选择性牺牲些音质的收信机就可以选择比较小的耦合电容,一般5P就在临界耦合一下了,参考数据给出的是6.8P,我在本地无线电商店买到的是7P的高频磁介质耦合电容。
这里给出了TTF2-8使用的电路图,就是最下方的图,两个中周之间采用电容耦合的方式组成双调谐回路,同时由于电容一般耐压较高,我买的是耐压300V的,而我的机器实际上最高只用到45V屏压。

补充内容 (2016-11-3 23:44):
关于中周我要说两句,之前我是用的TTF2-8双调谐中周,这款半导体中周是330P谐振电容的,实际上谐振阻抗不高,根据LC回路谐振阻抗公式,LC比率较大的时候谐振阻抗较高,由于电子管输入输出均为高阻抗电路。

补充内容 (2016-11-3 23:48):
因此整机灵敏度低,我重绕了线圈,震荡线圈的数据是,用SZZ1震荡线圈磁芯该绕,震荡线圈为75匝,顺时针绕制,头接1,尾接3,反馈线圈25匝,头接4,尾接6.同样顺时针绕制。 

补充内容 (2016-11-3 23:51):
TTF2-8中周拆除原线圈(TTF2系列中周似乎是通用磁芯),用0.08直焊漆包线绕制155匝,中间不抽头,配220P谐振电容,如用200P谐振电容则用0.08漆包线绕162匝,能进一步提高谐振阻抗和灵敏度。
 

Screenshot_2016-10-05-17-56-20.png (327.04 KB, 下载次数: 3)

 

国庆节的礼物-电池管二级中放超外差收音机

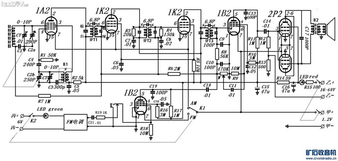
机器主要参考了以下三个电路,三个电路主要部分都是相同的,只是有微小的变化,AGC电压加在变频管上的电路结构采用了并联式,就是图1的结构,这样谐振回路里不用串入较大电容,因而可以采用高频性能最好同时价格比较便宜的云母电容,我采用了240P的云母电容。图3退耦电路比较复杂,每一级中放的屏极都有退耦电路,优点是不需要大的电解电容,缺点是电路稍微复杂一些,要增加三个退耦电容和电阻。
需要指出的是,由于1A2电子管的内部结构与1R5电子管还是有一定区别的,因此震荡部分,使用1A2的时候第一栅栅漏电阻应当使用51K,这也是手册给出的数据。串入二四栅极的电阻主要起到降压作用,因为我比较懒,串入了一个随手找得到的20K电阻,事实证明工作还可以,最好是采用一个15K电阻。
其余的部分由于图2中的AGC电路比较简单,因而我借鉴了图2的结构。
这里要说的是,1B2五极部分屏极的100P电容不能省去,这个电容一方面有旁路高频的作用,同时能够减少有害交联,避免自激振荡。
AGC电压的取得采用了图2的结构,因为总的来说图1的AGC电压取得是比较简单的。
第二中周两端并联的电阻是为了降低中周的Q值,增加通频带以便改善音质的作用,当然了觉得不必要也可以不用。我的第二中周上并联的电阻也加上了旁路电容,目的是为了避免有害交联。

补充内容 (2016-11-3 23:55):
大家制作的时候直接按照最上边一幅图(标着图2)制作就行,只需要把下边那个作为外来信号放大的1B2去掉,同时C18也去掉。R7AGC电阻不用串联的方式接入调谐回路,而是采用最下图,也就是标着电路图1的并联式结构。
 

电路2.jpg (236 KB, 下载次数: 6)

 

国庆节的礼物-电池管二级中放超外差收音机
 

电路3.png (188.39 KB, 下载次数: 5)

 

国庆节的礼物-电池管二级中放超外差收音机
 

电路1.jpg (82.43 KB, 下载次数: 5)

 

国庆节的礼物-电池管二级中放超外差收音机

安装过程比较简单无脑,这里重点说说底盘设计规划的问题,还有铝板底盘的具体制作。
对于手里没有台钻的朋友来说,由于精确打孔需要定位,所以对于手电钻一组来说最好不要买太厚的铝板,感觉强度尚可就可以了,太厚了铝板不容易用冲子冲出小坑,因此不易打出准确的孔,这次我买的铝板是0.8毫米的,铁皮剪刀剪起来不费劲儿,用油性笔做好标记,标记好开孔和管座的位置,自己打孔就行了。0.8的铝板可能强度略差一点,必要的时候可以考虑采用一些补强措施。
规划是非常重要的,主要考虑以下几点,首先是要紧凑,由于采用磁性天线,半导体中周和振荡线圈因此收音机的体积可以做的比较小,同时由于接线较短,能够减少分布电容和防止有害交联,对于收音机的工作是有利的。最后一点也是非常重要的,电子管安装的时候要考虑到,第一管座朝向最好一致,这是为了便于连接灯丝电路和各个帘栅电路等,同时下一级电子管的栅极应该正对着上一级电子管的输出,例如屏极电阻或者中周次级线圈的输出端,这样可以有效的缩短下级管栅极和上级管屏极的接线,同时也就减少了分布电容和有害交联,也能减少高频信号损失增加灵敏度。
最初我采用了中周位于机器前边的结构,后来发现不大科学,空间不足,后来我就改用了中周和电子管都布置在底盘后方的结构,加上磁性天线很是紧凑好看,可变和音量电位器中间的部分有时间可以加上一只椭圆的喇叭。
至于音频放大器的具体结构,主要考虑紧凑,接线简单,规整,栅极电路连线较短就可以了。
PS,制作底盘的时候,中周的小方口都是先用电钻打眼儿,再用小锉掏出来的,可把我累坏了。。。。
 

底盘规划.jpg (348.09 KB, 下载次数: 1)

 

国庆节的礼物-电池管二级中放超外差收音机
 

规划2.jpg (310.34 KB, 下载次数: 1)

 

国庆节的礼物-电池管二级中放超外差收音机
 

底盘开孔.jpg (305.36 KB, 下载次数: 1)

 

国庆节的礼物-电池管二级中放超外差收音机

双调谐中周采用了模块化设计,两个小中周都焊在一个洞洞板上,同时耦合电容,和第二中周的并联电阻等也是一同焊接在上边的,同样的,振荡线圈也采用了类似的结构。这样一来可以缩小体积更加紧凑,而来可以剪短引线,减少搭棚焊接点,同时洞洞板的周边空余位置可以当做焊片使用。
大家在采用晶体管中周的时候不妨采用我的办法,有能力制作PCB的朋友也可以制作全PCB结构,或者采用这样的PCB中周模块,同时在PCB周围做出各个连接点焊盘等等,以便于简化接线结构。
 

中周安装.jpg (294.61 KB, 下载次数: 0)

 

国庆节的礼物-电池管二级中放超外差收音机
 

中周安装2.jpg (责任编辑:admin)

织梦二维码生成器
顶一下
(0)
0%
踩一下
(0)
0%
------分隔线----------------------------
发表评论
请自觉遵守互联网相关的政策法规,严禁发布色情、暴力、反动的言论。
评价:
表情:
用户名: 验证码:点击我更换图片
栏目列表
推荐内容