|
由来和重要说明:
一、我知道一个HUB,太平洋电脑城的地摊上2元钱有的卖;而且我也有好多了;
二、做这个是为了这样的一个商品,不想引出来两条USB数据线;
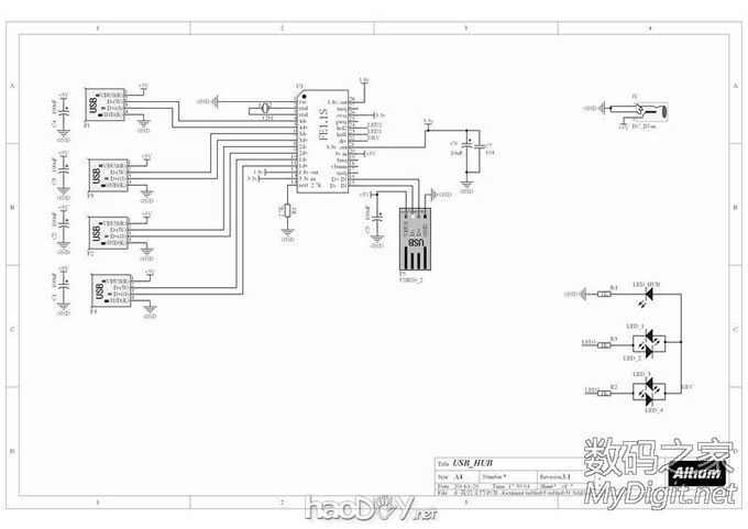
三、发了个原理图求帮助,虽然有错误但是还是我后来自己找到的;
四、有时候过程比结果更重要;电子这东西不动手永远不知道有多难,有多容易;
五、虽然没成功,(不算失败)但依然很开心。下面上图。图多准备分两楼。
注:最后已经打算做第二版了,用手工重画了原理图,在《有道词典》的帮助下读了英文版的器件手册;最终……最终,搞定了,而且很稳定的工作。等下我补上图,还有我画的原理图一并共享出来,希望能帮到有需要的朋友。
心得1、第26脚一定要拉高; 心得2、3.3v输出的那个10UF的退藕电容一定不能少。
1、打印好菲林后曝光
2、曝光后的效果
3、显影
4、显影后腐蚀
脱膜
继续发图,腐蚀后和上绿油的效果。 |






排版用(好难排版……)





















































