|
没有M币下载资料特发个自己D的可调电源,希望坛友能捧场,谢谢了 主要特点:1、电压0-50V 电流0-3A 2、用电瓶车充电器改制,方便改制为0-50V的可调电源不用改绕变压器。 3、使用指针表头,加了自动转换量程电路并用红绿LED指示量程,价格低廉,取材便利。 总结: 改制方便,容易成功,价格低廉,取材便利。相比用ATX电脑电源改可调电源的方案方便的多,因为电瓶车充电器本身就是单56V3A输出的(48V20AH的充电器)。 1、自动电流表量程的制作 目的:加入自动转换量程电路是为了在低电压低电流下提高指示表头的分辨率,因为我们在实验时在低电压低电流下要求有高的分辨率。以拟补指针式表头的不足。又能避免手动转换方式时忘了转换而烧表头。 a、500mA分流电阻:取1米0.2左右漆包线并连在电流表上,串连一万用表,加负载调整到万用表指示为250mA,调整漆包线的长度,直至目标电流表指针到表盘中间(即250ma处),分流电阻即好了。 b、分流500ma继电器:取一干黄管,在干黄管上用刚才调整好的漆包线平绕,再将干黄管串入万用表加负载调整到万用表指示为500mA,干黄管吸合。分流500ma的继电器就好了。 c、5A分流电阻和500mA分流电阻制作一样,但要换用0.8以上的漆包线。注意的是要和500mA分流电阻并连一起调试。 说明:电流表量程切换是当负载电流大于500ma时,干簧管J--2吸合,5A分流电阻和500ma分流电阻并联作为5A电流档的分流电阻用。同时继电器J吸合,继电器j--2闭合继电器J自保,电流表在5A档上,当电流低于500mA时由于干黄管释放,这时手动一下AN按钮,继电器J自保失电,5A分流电阻断开,电流表又回到500mA档,达到自动转换量程的目的.
2、自动电压表量程的制作 找一个继电器接入如图电路,调电压到10v继电器刚好吸合即可。 说明:当输出电压达到继电器吸合电压10V时电压表转换到50V档。加7812的目的是当输出电压高于12V时不至于烧毁10V吸合的继电器,当输出电压低于继电器的吸合电压即释放。继电器回到原始状态,电压表又回到10V量程!达到自动转换量程的目的。)
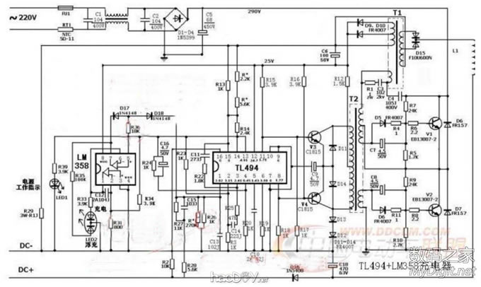
3、充电器的改制 a、材料准备:原则上使用494电源控制电路的都可以改,其他电路的没有资料。下面就以用494电路控制的48v20ah的充电器为例说明制作过程.见图片
电路图
谢谢大家的捧场,本想发帖赚点M币,没有想到坛友这么热情。因为电源已经完工等休息天拆开重新拍图片后再详细写个教程,使坛友们都能改制成功,希望坛友耐心的稍等 ,再次谢谢大家的关注和支持 !!!
[ 此帖被xuwq88在2013-03-28 08:40重新编辑 ]
(责任编辑:admin) |































