|
一、呼吸灯的简介 呼吸灯电路一般用于装饰玩具或者一些有特色的电子产品,比如雷蛇的一些鼠标,由于它的亮灭频率很像人呼吸的频率因此人们形象的称之为“呼吸灯”或者“呼吸闪灯”。 二、呼吸灯的原理图 网络上一般呼吸灯多用555时基电路IC来制作,见图一、图二。
图一
图二 由上图可见,555时基电路需要3个电容,这对体积有要求的物品,比如鼠标来说是无法安装的。因此我选择了下图,见图三、图四。
图三
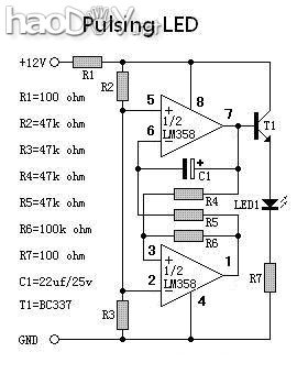
图四 图三、图四,选用了LM358普通双运放,图三比图四又少用了一只电阻和二极管,从体积上和成本上考虑,我选择了图三作为制作图。 三、PCB板与元器件的选择 PCB板就是我们俗称的电路板,从覆铜面上,分单层、双层或者多层,又根据基板材料不同分为环氧树脂板、纤维玻璃板、纸基板等,一般业余爱好者制作多选用单层树脂板,主要是方便制作成本便宜。 元器件上,我们选择了图三,所以要先记下元器件的参数规格以及数量,电阻全部选用1/8W普通碳膜电阻,电容选择耐压16V或者25V普通电解电容,三极管按照图纸型号BC337购买,集成电路(IC)按照图纸型号LM358购买。这里需要注意的是三极管的基极(B)、集电极(C)、发射极的区分(E),详见图五。
图五 四、PCB的设计 有了原理图和元器件,我们就可以着手进行PCB的设计了,以前爱好者多用手工绘图的方法设计自己的PCB,一个简单的图要花上一段时间才能设计完毕,现在随着计算机的普及,一些智能软件的应用,即使很复杂的原理图也能很快的设计完毕,如大名鼎鼎的protel99se等,但对于业余爱好者来说,这些很专业的软件需要学习很长时间才能熟练运用,好在现在有很多拿来就能上手的软件,比如微软自带的画图工具就可以,当然,画图工具毕竟太过于单一,画起来很费力,我这里推荐用《Layout50_chs》这个软件,此工具软件简单实用,画一些简单的PCB绰绰有余,还能预览成品的样子,输出转印图或者雕刻机用的文件,请见图六。
图六 具体的使用,请各位参照该软件的使用说明,我这里只说说如何设计PCB。 PCB设计的好坏关系到作品的成败,因此要严格遵照PCB一般设计规则: 首先是电源和地线的走线 1、 在电源与地线间设计退耦电容,实际上在要求不高的场合,常常将电源(VCC)与地(GND)的引入端平行设计一段,相当于接入了一只退耦电容。 2、 在有限的版面尽可能加宽地线、电源线、信号线,一般来说最宽的是地线其次是电源线再次是信号线,地线一般设计在PCB的最外边,在设计模拟电路时注意一点接地或者米形接地,不要将地线围成一个框子,防止自激产生。 3、 如果使用了双层或者多层板,请将没有用到的区域与地线相连,可以起到抗干扰的作用。 其次是元器件的布局 1、 元件摆放一般为卧式,也有立式,也有混搭的,但不管怎样,请注意元件的间距问题,不要一味的追求小而让元件无法安装。 2、 尽量对齐元件,一个美观的PCB首先要看它的元件是否整齐。 3、 电容、电感下方尽可能不要安排走线,防止自激。 4、 电源输入、信号输入端、信号输出端设计的不要太近。 最后是大件的布局 1、 散热器或者耦合用的变压器,这类物件尽量设计在边上,方便散热。 2、 开关、电位器、保险等常要切换的元件也要设计在边上,方便设计外壳。 根据以上业余PCB设计原则,我们可以大致确定呼吸灯这个项目的设计方案 1、 电源负极也就是地线要设计在外边,电源正极要与负极平行一段,占用面积要在版面里尽可能的大。 2、 电阻要卧式安装,走线从电阻下方走出,电容要离IC尽可能近,整体要对齐。 3、 充分利用IC下的空间,尽可能不用跳线。 4、 测量好元器件的实际尺寸,估算出最大误差量,控制好误差。 5、 版面要最小化,方便后续改装其它产品时可以安装进去。 图七为我设计的呼吸灯PCB成品模拟图以及热转印图。
图七
热转印图 五、PCB的制作 PCB的制作种类和方法很多,早先都是手绘,直接将设计好的PCB图用油漆或者防水的记号笔画在覆铜板上,再去腐蚀。也有用黄胶带先粘在覆铜板上,将画好的图垫一层复写纸,用圆珠笔复描一边,之后将不需要的黄胶带扣掉,再腐蚀。现在随着计算机普及,办公自动化设备也都很普遍,打印的东西精度都很高,所以上点档次的业余制作PCB基本上都在用热转印或者更高级的光转印技术,这两种都是用打印机将热转印图纸打印出来,热转用的纸是光面的蜡光纸(不干胶贴纸的衬纸),光转是将图打在透明的塑料纸上,然后压在光敏PCB上曝光,之后放药水里显影,再去腐蚀。光转的PCB精度可以和专业厂生产的PCB媲美,不过工序要多很多,追求完美的业余爱好者大都使用此法,本制作不需要太高的精度,所以没有选用光转而使用了热转法制作,下面介绍我的制作过程。 1、将设计好的PCB图打印在光面纸上,注意图一定要打在光面上,如图八所示。
图八 2、选择尺寸差不多的覆铜板(要稍大一些)并打磨干净,见图九。
图九 打磨可用干水泥粉或者橡皮擦,打磨后光亮如新,见图十。
图十 3、将热转印图适度裁切,见图十一。
图十一 4、将热转印图光面压向覆铜板铜皮一侧,并固定好,见图十二。
图十二 5、将老式熨斗加热至140至170度左右,见图十三。
图十三 6、均匀的压上熨斗,如需移动,要一个方向的运动,不可来回熨,防止错位。待压上十多秒之后,观察一下转印纸与覆铜板是否严密的粘在一起,如果已经严密的粘在一起了,就不要在压了,如果没有,需要继续压,直至严密的粘在铜面上。待自然冷却后就可以揭下转印纸了,见图十四。
图十四 7、观察一下转印后的覆铜板,看看有没有漏的地方,如果有,用防水记号笔补画一下,见图十五。 ![]() 图十五 8、确认没有漏印的地方后,放入三氯化铁,加入温水,将印好的板子放入,三氯化铁溶液中扣板,见图十六。 ![]() 图十六 9、待溶液将不需要的铜皮‘吃掉’后,用清水洗净板子,将不要的地方裁切一下,见图十七。 ![]() 图十七 10、给板子打好眼,见图十八。 ![]() 图十八 11、打好眼的板子,迎光严查一下,见图十九。 ![]() 图十九 12、将板子上的碳粉用刷碗的钢丝球擦去,板子就算基本完成,见二十。 ![]() 图二十 13、补充,如果追求完美,还需要将丝印也转印上去,背面要用感光绿油做阻焊,这里我没有做。 六、安装元器件 元器件的安装按照以下顺序进行 1、 将所用到的元件先简单的测量一边,见图二十一。 ![]() 图二十一 2、 按照先小后大、先上电阻再上电容最后上IC、三极管和发光二极管的顺序安装元件,焊盘要控制好锡量,不能过多也不能过少,最后安装完毕见图二十二。 ![]() 图二十二 七、实测和改动 焊接完毕后,我接上维修电源测试发现,电压在5V,选用22UF电容,发光管常亮,没有‘呼吸’,高于5.5V则开始‘呼吸’,如果将R1电阻直接短接,在4.5V也能呼吸,因此建议大家如果使用5V做电源的话,可以不用安装R1。 又发现如果在5V时用22UF电容则显得‘呼吸的比较急促’,选47UF的电容则比较像‘呼吸’,因此我建议大家在使用5V的情况下选用47UF的电容。 八、作品展示 做这个灯打算用来装饰鼠标,如图:二十三。 ![]() 我的PCB是按照原理图的图三做的,当然,设计PCB的时候我是按照我自己的思路进行排版的,没有严格遵照图纸设计,因为那样排版不好跨线,集成电路IC的4脚为地,8脚为VCC,我是以电源最短这个思路进行PCB设计的,按照下图是不是好理解呢?呵呵,其实是一样的。 ![]() 如果使用5V做电源,请将R1直接短接,电容选47UF的,还有LED最好选用普通红色光的,效果非常好。 (责任编辑:admin) |


















































