|
【小芯片,大制作】TINY13白光LED灯,四种常用模式方便切换。(内附原理图和固件) 主芯片:AVR AT_Tiny13V LED:白光R3 x 12个 按键:三个。一个主按键,两个调节按键。 功能: 1)短按开关键:开灯,关灯。亮度以用户最后一次调节的为设定值。 2)长按开关键:以最亮的方式开灯(忽略用户的调节,因为有时候需要临时用下最亮找东西)。 3)短按调节键:长亮的情况下调节灯的亮度,频闪的情况下调下间隔时间(频率)。 4)长按调节键:长按[-]键是开闪灯模式(频率可调),长按[+]键是开呼吸灯模式(灯从最亮慢慢到最暗,然后又慢慢的到最亮,频率跟呼吸差不多)。
晚上开灯的样子。
外观图,上面有一个大按键和两个小按键,并且在盒子上标明功能,以防以后忘记了。
LED特写,拍的时候,有一个灯坏了。红色的是状态指示灯。
跟电话卡比比大小。
折开后,上盖图片。
仔细看,可以看到有两个二极管,就这样可以组成三个按键。
主控板和电池。
主控板特写(原理图和固件在下面有提供)。
主控板底面布线。
主控板另一个角度
电池,是拆的一个旧的手机电池。放进去刚好合适。
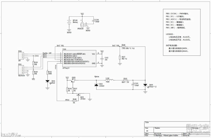
原理图(点击可以看大图,下面有PDF可以下载) 以下是原理图PDF文件和固件程序HEX文件,欢迎大家砸砖砸花砸蛋更砸M: WhiteLighter.pdf (148 K) 下载次数:102 WhiteLighter.rar (2 K) 下载次数:84
(责任编辑:admin) |






































