|
前一阵买了两节9v镍氢的充电电池由于没有好用的充电器,卖电池卖的垃圾充电器又是傻充,正好手底下有很多山寨 的18650座充,侧面提供了两个9v电池的位置,但是这只是摆设里面连线都没接,纯骗人的玩意儿,用这个壳子正好改一个。
很常见
最简单的单管rcc自激式反激电源
用了一颗3582
数据表 典型应用
反面 有点进水貌似
拆就这些个东西 没什么特别的 下面研究怎么改9v充 由于镍氢充电的特性较锂电复杂改之前先回顾一下镍氢镍镉电池的充电方案: 最廉价垃圾的就是 一颗电阻加一颗二极管的方案 成本低廉 完全没有停充判定,由于镍镉电池相对皮实有较强的耐过充放特性充满即使不停充 短期内也不会对电池造成较大伤害,只会发热, 所以一般廉价充电器多采用,俗称傻充。 然后是恒压限流充电器,这种只恒定电压充电比一般傻充强点,但是不同电池的满电电压是不同的 镍氢电池没有一个较明确的满电电压 即便是同一电池不同时期满电电压也是不同的 所以这种也就是个大概齐。 更好一点的是恒压恒流充,和上面一样多个恒流 充电速度快些 然后是恒压恒流加末期0.05c的涓流续充 这种基本能较好的适应各种品牌的电池了,虽然也是靠设定的电池电压判定是否停充但末期有个小电流的 涓流补充,基本能把电池充到满电而基本不会损坏电池了。 然后是上面的改进款,末期涓流充电加一个时限,就是加一个定时器 倒计时完成彻底切断和电池的连接 终极的就是全脑充了,用单片机 恒流的基础上隔一段时间监测一下电池的端电压,由于镍氢镍镉电池接近充饱和瞬间电压不升反降,利用此特性写好程序 定时监控此电压的跳变再通过算法确定是否停充,能精确的判停做到不过充,也是当时最好的检测方法。 以上是我认识里的各种充电方案,如有遗漏和错误欢迎补充。 由于我只是给万用表电池充电 而万用表的低电电压是6.9v(至少我的是 也基本是9v镍氢电池的欠压点)且电池容量也是已知的 对充电速度也不要求, 所以我采用恒压加限流加末期涓流加比较器指示的方案 先确定恒压电压,万用表镍氢内部是7颗单体串联而来 按照单颗满电1.44(平均值)x7 =10.08v 加一颗肖特基隔离0.15v压降(肖特基小电流时压降不到0.3v) 10.08+0.15=10.23v ,然后还要留出末期的ma级涓流充电所需的电压实测高0.15v左右即可 ,所以最终恒压电压设定到10.35v 实测转灯后还维持大约10ma以下 的一个小电流维持充电 并且随时间延长 有下降趋势,完成末期的涓流充电,确保充满电池而不会损坏电池。 方案确定了 还要改板子提供一路10几v的电源 测了滤波电容端开路电压 7.67v 由于是原边反馈 开路电压设定较高,为了使带载时电压有个较高的值(调整能力不行)所以把开路电压设置较高 带载后电压跌到5v左右 和开环几乎没什么 不一样 很烂的。 改电压可以改 反馈绕组的稳压管 也可以直接改变压器绕组(因为副边绕组处于开环状态 反馈回路没在这里) 由于想在保留原18650充电功能的前提下 增加 9v 镍氢充电功能 需要增加一组绕组 所以选择直接改变压器
拆掉变压器 加热后拆下线圈发现 副边绕组被原边绕组覆盖 又懒得都拆 直接把副边绕组的一个头儿从原边绕组底下拉出,一圈绝缘胶带后直接再绕一倍线圈, 使这路电压提高一倍 过程略去
最后重新装配 裹两圈聚酰亚胺胶带 用502滴一些在e形磁芯结合处做磁隙
10v 220uf 滤波 原来的7.67v 滤波 会被拆掉换 16v耐压的 它被转移到挨着它左面
焊好后 测试 原7.67 正常 增加的一路开路电压14.4也达到要求 电子负载测试(过程都略去) 100ma电压13.3v 可以, 测200ma (我需要的最大电流) 加载后电压立刻跌落到 5.x v 开玩笑吗 这破玩意儿连 2w的功率都没有 试一下原7.67v直接3v去了 草 此时那颗唯一的三极管巨烫,换13003 以为行了 一测竟然还不如原来,也是巨烫 想了一下 此变压器达到2.5w应该是没问题的 问题一定出在 高压供电上和三极管beita值上 看板子 半波整流才弄个2.2uf 滤波 换大 测原三极管 hfe 14 后换的13003 才8 难怪都退出饱和了 又找了颗13002 测hfe 18 嗯 高点了 焊好测 200ma时 电压12.6v 嗯 2.5w了 变压器极限了,正够用 带载半小时 管子发热尚可 嗯板子供电整好了。
背面pcb的改动
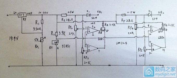
下面 制作充电电路 先上原理图 自己设计了一个 原件取值计算: 用了一颗可调三端稳压 317 如图r1 一般取值 几百欧即可 取330欧 根据公式 vo=1.25(1+rp1/r1) vo按10v代入计算 rp1取值2.3k左右 最终5k电位器代替 r4和r6 由于双色led指示灯单色电流3-5ma 压降2v左右 取2v 10-2=8v 电流取中间值4ma r=8/0.004=2k 实际取值2.2k rp2--rp5 四颗贴片电位器取值 由于运放输入阻抗很高,ma级电流驱动已绰绰有余,分压上下臂电流取0.5ma r=u/i 10(最大电压)/0.0005A =20k 最终取20k电位器 r3,r5 是限流电阻加取样电阻,由于电池实际容量200左右 按0.5c取值 100ma 电阻最大端电压u=10.35-0.3(肖特基压降)-6.9(电池端电压)=3.15v 同样欧姆定律 r=u/i 计算结果31.5欧 实际取值28欧 这颗电阻对功率有一定要求 需要算一下功率 p=u^2/r 计算结果0.35w 实际取值0.5w留出余量所以每路两颗56欧姆的贴片电阻并联使用 tl431 最低工作电流数据表推荐1ma以上 取2ma 由于接成2.5v基准 u=10-2.5=7.5v 欧姆定律 r=u/i 计算结果3.75k 最终取值3.9k
lm324
楼下继续。。。
由于没时间做快板子 选择直接搭棚方式制作 空间有限除了三端稳压和led 都用贴片元件 第一层 ![]() 反面 ![]() 第二层正面 ![]() 反面 ![]() 焊上线后 像蜘蛛网哈 ![]() 反面 ![]() 用点热缩管整理一下 ![]() 套上热缩管后 利索点了 测试调整过程略去 ![]() 本来想塞这里 可是有点大了 ![]() 不得已 掏条沟 放上点泡棉 ![]() 可以塞进去了 用点环氧胶 固定好 三端稳压紧贴壳子底部 起到一些散热作用 ![]() 四个螺丝拆下打磨后镀锡再装上 ![]() ![]() 上壳开孔 安置两路的led双色灯 ![]() 焊好四个触点 点了一些硅胶密封绝缘处理 ![]() 全部焊好后 板子上贴一条聚酰亚胺胶带绝缘 ![]() 装配好 ![]() 空载 三颗绿灯亮 中间原18650指示 后加的是独立两路9v充指示 可单独可同时充两颗9v镍氢 ![]() 充电红灯亮 ![]() 满电转为绿灯 (责任编辑:admin) |

























































