最好的电子音响科技diy制作网站

haoDIY_音响电子电脑科技DIY小制作发明

当前位置: 主页 > 最新DIY >

又做了个一体的电容点焊机.高清大图

时间:2017-07-30 21:18来源:数码之家 作者:ewhz 点击:
电路还是和以前的一样.没有变化.我只是加了个电源模块代替了电源变压器.用的电容还是日本化工的,由于2700uf的不够多,又加了20多个1500uf的电容.输出线和连接线都是用的从120A漏电开关里面拆出来的多股铜软线,最少也有10平方.看我下面的点焊电池效果,因为都是
电路还是和以前的一样.没有变化.我只是加了个电源模块代替了电源变压器.用的电容还是日本化工的,由于2700uf的不够多,又加了20多个1500uf的电容.
输出线和连接线都是用的从120A漏电开关里面拆出来的多股铜软线,最少也有10平方.
看我下面的点焊电池效果,因为都是用手压的,搞的打火有黑点.不过效果感觉很好.

 
  • 又做了个一体的电容点焊机.高清大图
  • 又做了个一体的电容点焊机.高清大图
  • 又做了个一体的电容点焊机.高清大图
  • 又做了个一体的电容点焊机.高清大图
  • 又做了个一体的电容点焊机.高清大图
  • 又做了个一体的电容点焊机.高清大图
  • 又做了个一体的电容点焊机.高清大图
  • 又做了个一体的电容点焊机.高清大图
  • 又做了个一体的电容点焊机.高清大图
  • 又做了个一体的电容点焊机.高清大图
  • 又做了个一体的电容点焊机.高清大图
  • 又做了个一体的电容点焊机.高清大图
  • 又做了个一体的电容点焊机.高清大图
  • 又做了个一体的电容点焊机.高清大图
  • 又做了个一体的电容点焊机.高清大图
  • 又做了个一体的电容点焊机.高清大图
  • 又做了个一体的电容点焊机.高清大图
  • 又做了个一体的电容点焊机.高清大图

继续上图
前面是刚开始做好的样子.后面的图是改进后的,
 
  • 又做了个一体的电容点焊机.高清大图
  • 又做了个一体的电容点焊机.高清大图
  • 又做了个一体的电容点焊机.高清大图
  • 又做了个一体的电容点焊机.高清大图
  • 又做了个一体的电容点焊机.高清大图
  • 又做了个一体的电容点焊机.高清大图
 
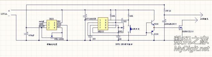
图纸来了 接着  那两个三级管要去掉,弄不好那两个容易烧了
 
  • 又做了个一体的电容点焊机.高清大图

(责任编辑:admin)
织梦二维码生成器
顶一下
(0)
0%
踩一下
(0)
0%
------分隔线----------------------------
发表评论
请自觉遵守互联网相关的政策法规,严禁发布色情、暴力、反动的言论。
评价:
表情:
用户名: 验证码:点击我更换图片
栏目列表
推荐内容