|
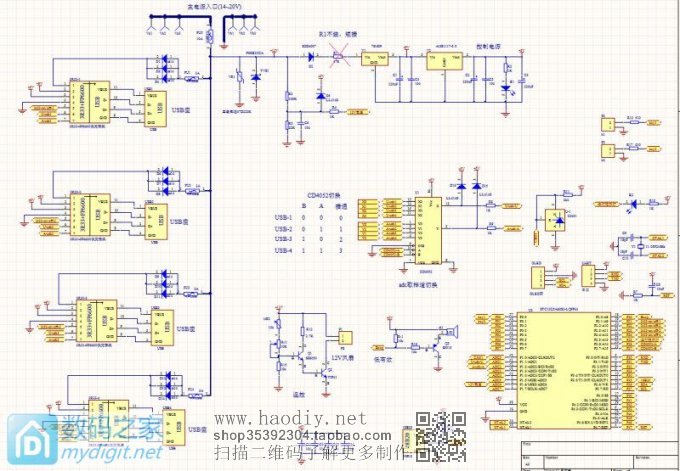
自制QC2.0车充,方案FP6600+3R33 成功识别5V、9V、12V快充模式,STC12C5A60S2检测总输入电压、温度与各USB输出电流电压,ADC采样,采样通道CD4052切换;温度用18B20; 0.96寸OLED屏(SSD1306),各路USB输出软件限流在3.3A,后来才想到用LM358另外一路用硬件限流; 就差了外壳,还有找了 软件写的很一般,都是在网上抄的,只能作为参考,玩玩的~,各路朋友不要见笑 附件完全开源上传了:原理图、PCB、程序、就介面原图都有 图如下 QC2.0+3R33充电器.rar (555 K) 下载次数:37 电路图如下:
空PCB板
焊好的3R33模块正反面,焊接技术差~
把3R33模块焊在底板上,其它原件焊接~
成功识别5V快充模式
成功识别9V快充模式
成功识别12V快充模式
写好软件,OLED屏显示各路USB输出电流电压,最上一行是输入总电压与温度
此图1USB充电中,有0.9A
还有做到一半的外壳
还有做到一半的钣金外壳 ![]() (责任编辑:admin) |


QC2.0+3R33充电器.rar (555 K) 下载次数:37 


































