|
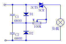
按照电学道理可知,电容器接入正弦交换电路中,电压与电流的最大值在相位上相差90°。按照这一道理,把C1和C2串联联接,并从中间取出该差为我所用,这比电阻与电容串联更不变。电路中,D1和D2别离对电源的正半波及负半波举办整流,并加到A触发和C1或C2充电。进一步用W来改变触发时刻举办移相,只要调解W的阻值,就可到达改变输出电压的目标。D1和D2还起限定触发极的反相电压掩护双向可控硅的浸染。
|
|
按照电学道理可知,电容器接入正弦交换电路中,电压与电流的最大值在相位上相差90°。按照这一道理,把C1和C2串联联接,并从中间取出该差为我所用,这比电阻与电容串联更不变。电路中,D1和D2别离对电源的正半波及负半波举办整流,并加到A触发和C1或C2充电。进一步用W来改变触发时刻举办移相,只要调解W的阻值,就可到达改变输出电压的目标。D1和D2还起限定触发极的反相电压掩护双向可控硅的浸染。
|
一、题意 众所周知,白炽灯是爱迪生的重要发明,这一发明便人类的夜晚从此告别了黑暗...
DIY简易环闪。...
diy变色闪光灯电路
更新:2012-12-31
LED楼道灯控制电路
更新:2014-06-08
制作CD4017制作彩灯控制器
更新:2012-12-31
diy蛋糕盒、饮料瓶制作简易环形
更新:2013-01-19