|
高亮度白光LED灯(以下简称白光灯)具有光色好(与日光靠近),节能(电光转换服从远高于白炽灯,也高于荧光灯,是一种寒光源),寿命长(寿命是荧光灯的几倍(白炽灯的几十倍),环保无污染的特点 成为白炽灯和荧光灯的有力挑衅者。但其不敷之处是今朝价值较高。据先容,在深圳1瓦白光灯的价值要十几元,3瓦、5瓦灯的价值更高迭数十元之多,因而难以推广行使。今朝,白光灯已成长到第二代; 第一代白光灯的价值已大幅降落,Φ5白光灯的价值已降到0.25/只,拆机Φ5白光灯的价值为0.2/只,此价值已经可以接管。笔者不久前以每只0.16元的价值邮购了几十只拆机件Φ5白光灯,用它建造了几只照明灯,结果不错,现向喜爱者作一先容。 市电220V 1.2W白光LED照明灯用一只易拉罐的球形罐底,用铰剪修圆,在上面钻出20个小孔,小孔的漫衍呈圆形,只管建造得雅观些,孔的巨细以恰恰能嵌入白光灯为度,如图1所示。每只白光灯的事变电压为3.0V~3.6V,4只白光灯串联构成一组,事变电压为12.0V~14.4V,5组白光灯再并联起来,在12.6V电压时的电流约便是100mA,耗损的功率1.26W。
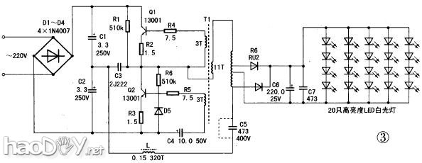
要在220V市电事变,必要一个降压整流滤波电路,较量省钱的步伐是行使废旧的节能灯节制电路。节能灯可以说是家家都有,因代价低,破坏后维修店不肯意补缀,一样平常均作废弃处理赏罚,因此可以不费钱或只花上少量钱在废品站等处所获得。着实大大都破坏的节能灯只是灯管坏了,其电路每每齐备可用,既使破坏了也轻易修复。5W~13W节能灯根基上均回收统一种电路和元件,图2是一种节能灯的电路图。
市电经整流和C1、C2滤波后获得约300V直流电加在Q1、Q2构成的逆变电路,发生数十千赫的高泼魅振荡,经L、C5、T对灯管放电,使节能灯发光。L和C5构成串联谐振电路,谐振在逆变电路发生的高泼魅振荡频率上。灯管启动时,灯管未导通放电,谐振回路中只有灯管的灯丝电阻,阻值较量小,回路中的电流较量大,此电流在L和C5上发生数百伏的电压,C5上的电压使灯管击穿放电发光。灯管放电后内阻很小,它并联在C5上使谐振回路的Q值大大降落,C5和L上的电压低落到几十伏以维持灯管继承放电,由此声名节能灯事变时的电压变革较量大。要把节能灯改革为白光灯的电源,可把C5直接联接到L和T的低级,再把L改作变压器,并增进低压整流滤波电路即可(拜见图3)。
为了使低压输出的直流电较量不变,L和C5不能作为谐振电路行使,其谐振频率应远低于逆变电路的振荡频率,可增进C5的容量,由原本的332改为473(即0.047 uF)或更大,乃至不消C5。L改革为变压器的要领是在L线圈表面加绕低压绕组。L一样平常回收0.15~0.17的漆包线,300~320匝。实测线圈的电压为80~100V,由此可得每伏的匝数约便是3。 电源整流的方法可回收桥式全波整流或双半波整流电路。为了节减两个二极管和减小消费,笔者回收双半波整流电路,要求变压器次级线圈的匝数更加,并有中心抽头。供应白光灯的直流电压选取为12.6V,故次级绕组的电压应为12.6/12=10.5V(电容滤波输出的直流电压约莫便是交换输入电压的1.2倍),次级线圈的匝数便是10.5×3=31.5,可取为32匝,由此获得次级线圈的匝数便是64,在32匝抽出中心头。白光灯的电流为100mA,按铜线每平方毫米应承通过3安培计较,可选用0.25线径的漆包线,其截面积便是0.049平方毫米,允许通过的电流是147mA,大于必要的100mA,切合要求。 节能灯L线圈一样平常回收乱绕的方法,绕制较量松,占有的空间较大,要在原线圈外加绕64匝线圈难度较大,办理的步伐可回收自耦变压器的方法。因电路安装在节能灯原本的灯头内,人体不会打仗到控斜电路,安详方面没有题目。自耦方法的服从较量高,用料较省,并且可以或许在原有的线圈骨架上绕下。详细要领是,把L线圈的匝数拆下64匝,然后用0.25阁下的漆包线顺着原线圈绕制的偏向绕64匝,在32匝抽出中心头。绕线圈不消加垫绝缘原料,不消绕线机用手绕就可以。如果找不到0.25的漆包线。可从另一个节能灯上拆下L线圈,用线圈上的0.15漆包线3股并起来绕制。线圈装上磁芯时要留意在磁芯对接处留一个间隙。也就是在接缝处垫上一层不干胶纸,目标是停止磁芯饱和。 整流二极管不能用4007(频率低)或肖特基管(耐压低),应行使FR107、RU2等快速规复二极管。然后把电路板上的铜箔条略作窜改,新增进的几个元件都可以安装在原本的电路板上。 找来的节能灯先要试一试电路是否齐备能用。电路中最轻易破坏的元件是两个13001三极管,其次是C1、C2、C5和4只整流用的1N4007二极管,其他元件破坏的也许性较量小。用万用表搜查若元件齐备。就可通电试验。先在电源进线中串联一个300Ω2W~5W的电阻,一来掩护电路(若万一电路中有未查出的短路妨碍,有了电阻可停止妨碍扩大),二来可丈量电阻上的电压以算出电路耗损的电流和功率。起首测试电路的空载运行环境。即变压器T2次级不接负载。通入220V交换电后,300Ω 上的电压在0.9~1.2V就声名电路事变正常。若电压低于0.8V,暗示线圈的感抗较量大,逆变电路不轻易起振,电路不能输出直流电,可用增进T2磁芯间隙的步伐来办理。也就是在磁芯的接缝处再垫上一层纸。如果300亓电压高出1.4V,声名磁芯的间隙也许较量大。可试一试在磁芯接缝处改垫薄一些的纸。如果电压如故较量大,很也许变压器内部有短路妨碍,可能是电路上的其他处全部妨碍。空载试验正常后,下一步接上整流滤波电路和假负载电阻。按照白光灯的电压和电流,可算出白光灯的电阻便是12.6/0.1=126Ω, 可用一只120Ω2W~5W的电阻取代白光灯接到直流电源上。通电试验,120Ω 电阻上的电压在12.4~13.5V就表白电路事变正常。如果电压偏低,可增进T2次级线圈匝数或是减小C5的电容量来办理。若电压偏高,可镌汰T2次级线圈的匝数或是增大C5的电容量乃至不消C5。测试完成后,取下假负载电阻,把白光灯联接到电路板上,最后把电路板装入灯头内,再把灯头和半球形的白光灯用胶粘贴在一路,整个白光灯的建培育告完成,如图4。
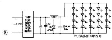
白光灯正常事变时在300Ω 上的电压为2.8V~3.2V,耗损的功率2.1~2.35W,比拟5W 的节能灯,(试测了几只5W节能灯,其功率均在5.2W阁下),白光灯的功率不到5W节能灯功率的一半,而现实的照明结果(在灯的正面)与5W 节能灯相等。 若内地市电电压不不变,可增进一个由7812构成的稳压电路,如图5。为了使7812能正常事变,整流滤波后的直流电压应在14V~16V,因此应恰当增进T2次级线圈的匝数。图中行使D6的目标是为了使输出的电压便是12.6V。
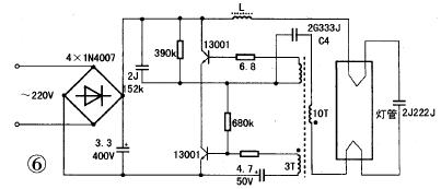
图6是另一种节能灯的电路图,它只用了一只滤波电容,改革的要领基内情同,但C4电容不能省去不消,不然会造成短路。
|























