|
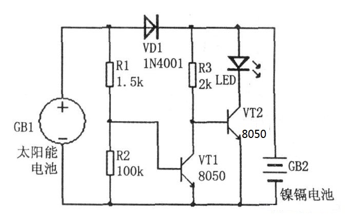
廉价太阳能小夜灯----太阳能路灯的雏形。 太阳能小夜灯----简朴的太阳能路灯,有光照时给蓄电池充电,无光照时蓄电池放电,驱动LED。太阳能电池板不只发生电能,并且兼做光泽传感器的浸染。 话不多说,直接上图。。。 show一下整体结果图。
很简朴的电路。
电路焊接,焊接较量慌忙,不是太雅观。
有光照时,即白日,LED不会亮。同时给蓄电池充电。
用面纸遮住电池板时,光泽变暗,LED开始发光,但亮度较弱。
完全遮住电池板,蓄电池放电,LED亮度较强 。
至于外壳什么的还没来得及做。。。。 (责任编辑:admin) |




















