|
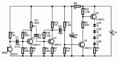
当前,各中学、小学都开展了科技勾当课以进步门生的下手手段。本站先容的这个闪光灯小建造是实践通过的,能开导学上对电子技能的乐趣。 1、建造原料 3DG6(或9013)一只,3AX31或9015一只,12K电阻一只,100UF电解电容一只,印制板一块,5号电池两节,发光二极管2只,2X1小开关一只。 2电路简介 图1所示电路由两只极性相反的三极管构成互补多谐震荡器,接通电源后电畅通过12K电阻向100UF电容充电,到一按时辰,晶体管9013导通,同时9015也导通,使发光二极管发光。电容放电,使9013基极电位降落得不到正常偏压而截至,发光二极管不亮,周而复始 ,闪光不绝。5K电阻起掩护晶体管浸染。 3建造 起首把2厘米宽4厘米长的敷铜板用断钢锯条划成四条铜条,第二条中间在划断,按图2打好17个直径1MM的孔,然后用细纱纸把电路板打光上好锡,将元件按图所示位置焊好,防备虚焊。 4调试和建造外壳 建造完成后先通电试一试,若不发光也许是发光二极管接反,可把两尽管脚对换一下。若各元件脚都焊对了,看有无虚焊。若发光二极管亮而不闪,也许是12K和5K电阻接错,应把它们对换过来。 当发光管正常闪光后把它装在硬壳香烟盒里,并在烟盒上打两个孔,使两只发光管凸出。并在烟盒上粘贴一张彩色小猫的头像。两只发光管正亏得眼睛上,通电后猫眼一闪一闪发光,很风趣。
(责任编辑:admin) |























