|
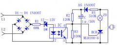
一、题意 众所周知,白炽灯是爱迪生的重要发明,这一发明便人类的夜晚从此告别了黑暗,迎来了光明。但白炽灯太耗电了,占据照明灶主要市场的白炽灯由节能型的光源灯取代,是无可争辩的事实。于是节能、环保且寿命长的LED灯应运而生,其应用、发展势头在近几年,一年比一年迅猛,北京奥运馆大量采用LED灯就是一个很好的例子。现在要求参赛者应用LED灯方面作个尝试,即请参赛学生在赛场提供的元器件中选用必需的器材,设计、制作一个LED楼道照明灯。 二、制作要求 ①LED搂道照明灯经蓄电池接220V/50Hz的交流电使用,白天不亮,夜晚受声音控制发光,发光时间约为10秒钟。 ②LED照明灯,本应由4组并联、每组串联三个高亮度的发白光的二极管组成。限于赛场条件,仅用一组(即只串无并)三只白光发光管组成,必须安装在万能板上,并只能用晶闸管作开关。 ③蓄电池与充电电源的处理。蓄电池标称电压为10V,由于要在短时间内表明电池电压的变化情况,要求采用自制“317”可调电源代替蓄电池(不提供蓄电池也不涉及制作充电电源)。 ④指示灯说明:a、用绿色灯发光管代表“317”电源输出指示;b、红色发光管亮表示电池充电;c、电池电压高于12V时,兰色发光管亮。 ⑤要有防过充电、过放电保护电路。蓄电池电压U。正常为10V。为了延长充电电池的寿命,当电压低于8.5V时,停止对外供电并转为充电;当电池电压高于12V时,停止充电并转为供电。 三、参考电路
电路工作过程:
(责任编辑:admin) |















