最好的电子音响科技diy制作网站

haoDIY_音响电子电脑科技DIY小制作发明

当前位置: 主页 > 音响DIY > 胆机DIY > 后级DIY >

6v6推6K6單支电子管2.6w单端胆机功放

时间:2012-09-10 21:11来源:www.ys-audio.com 作者:徐日生 点击:
Pen45是英國自成一系膽 , 而6K6則是美國獨系功放管 , 專為Radio音頻強放之用,人聲像真度 , 尤如親身見DJ , 非常真誠 ! 6K6五極管R p 值高 , 90Kohm ~ 110Kohm , 應用甲類功放 , 屏負載R L 8Kohm ~ 12Kohm , 我們實驗平台 , 用的是 Tango M705 Output , P r1
  Pen45是英國自成一系膽 , 而6K6則是美國獨系功放管 , 專為Radio音頻強放之用,人聲像真度 , 尤如親身見DJ , 非常真誠 !
         6K6五極管Rp值高 , 90Kohm ~ 110Kohm , 應用甲類功放 , 屏負載RL 8Kohm ~ 12Kohm , 我們實驗平台 , 用的是 Tango M705 Output , Pr1阻抗為5Kohm , 偏離6K6的實際工作例 , 如何應用?這是今回實驗的目標 .
        要改變6K6的活性屏阻 , 我們可用以下方法達到:
  1. 採用超線牲UL接法 , 用以提高Output的活性阻抗 .
  2. 施以負回饋以求降低強放管的活性內阻.
  3. 利用適合的屏壓 , 去控掣屏阻數值 .

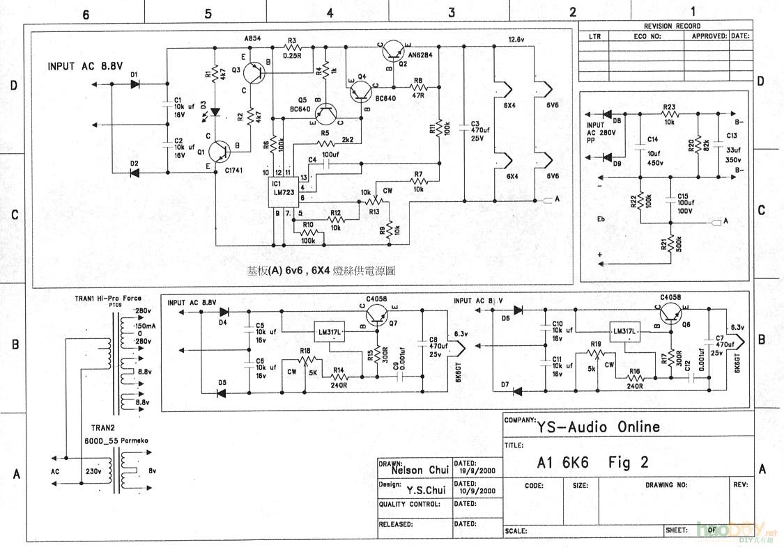
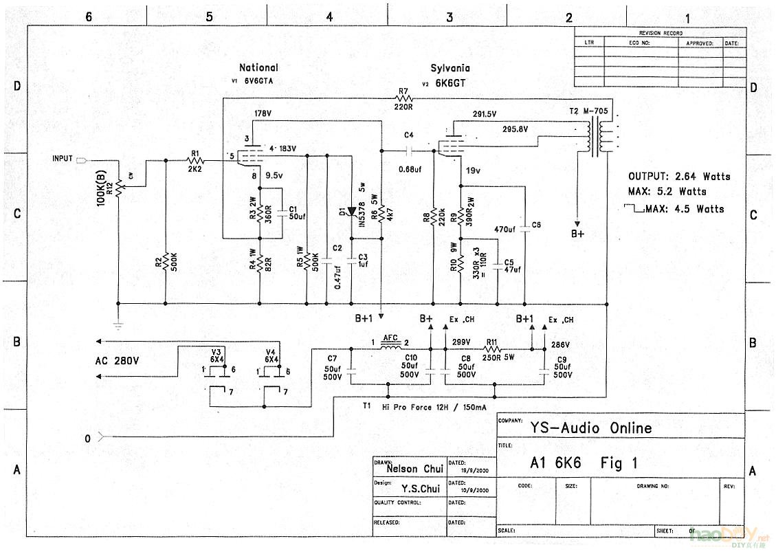
         本機 6K6 A1類功放線路圖如 Fig1.電源淺路如 Fig2.

 

6v6推6K6單支电子管2.6w单端胆机功放
本機 6K6 A1類功放線路圖 Fig1.

6v6推6K6單支电子管2.6w单端胆机功放
電源淺路圖 Fig2



 

6v6推6K6單支电子管2.6w单端胆机功放

 

6K6管座圖


 

6v6推6K6單支电子管2.6w单端胆机功放

 

6V6管座圖

 

 

6K6 工作表

編號 工作類 屏壓(v) 屏流(mA) 簾壓(v) 簾流(mA) 柵壓(-v) 陰阻(ohm) 屏負載(ohm) 輸出(w) 燈絲 互導(umhos)
6K6 A1 100 9 100 1.6 7   12k 0.35 6.3v/0.4A 1500
    250 32 250 5.5 18 480 7k6 3.4   2300
    315 25.5 250 4 21   9k 4.5   2100


 

NFB 5db  測出頻應表

Hz 40 50 100 1K 10K 50K 100K
db -2 -1 0 +0.2 +0.4 +0.4 +0.4



 

6v6推6K6單支电子管2.6w单端胆机功放

Telefunken 8吋全音喇叭



6K6功放配德律風根 8吋全音域 , 夾小生最近設計專業推單支功放前級 , 人聲像真絕論 , 浸浸堂音 , 令人陶醉 , 和聲歌者原形畢露 , 結他聲能整把出現 , Sylvaina 6K6 不能放過的美妙功放機 .


6v6推6K6單支电子管2.6w单端胆机功放

測試的前後級


6v6推6K6單支电子管2.6w单端胆机功放
全套試音器材

(责任编辑:admin)
织梦二维码生成器
顶一下
(0)
0%
踩一下
(0)
0%
------分隔线----------------------------
发表评论
请自觉遵守互联网相关的政策法规,严禁发布色情、暴力、反动的言论。
评价:
表情:
用户名: 验证码:点击我更换图片
栏目列表
推荐内容