最好的电子音响科技diy制作网站

haoDIY_音响电子电脑科技DIY小制作发明

当前位置: 主页 > 音响DIY > 胆机DIY > 后级DIY >

12ax7+6v6(6p6p)制作与胆机的首次相遇

时间:2013-05-12 09:49来源:itbbs.pconline.com.cn 作者:wevew 点击:
完工,到此胆机入门阶段完成!作个纪念。也是首个在太平洋发的帖子!谢谢观看!!!
从95年接触电脑经历了DOS,还记得当时开机声卡要工作还要编辑autoexec.bat文件,还记得那块Creative  AWE64 Gold是当年最想得到的声卡,到后来主板上已经没有isa插槽了,又过了一段时间发现主板都有声卡对于(木耳的我)已经不需要买声卡了。
       对于电脑的跟新换代我本人表示已经麻木了,我对电脑的要求只剩下稳定就可以了,现在中低档的电脑速度已经能够满足我了。

       


      直到某次在论坛乱逛看到痴心小萝卜的帖子 http://piebbs.pconline.com.cn/topic-14841.html


点击查看原图



再次点燃我对声音的感觉,唤醒了在记忆深处的一个角落放着一台尘封已久的胆机梦,由于小时侯网络不发达自己的电子基础为零,感觉胆机是个很遥远的东西,眨眼十多年过去了,谷歌令我重新认识了世界,想要的资料基本可以随手可得。于是diy胆机的念头又开始了。
       先学习是必然的,翻遍了各个DIY胆机的帖子,开始对胆机有初步的认识了,由于电子基础比较差,完全diy是没可能的啦,最后找到了入门的方法--先买个套件来玩。初次投入3百左右。开始了好久以前的梦。

点击查看原图



点击查看原图



装了没多久就装好了,首次通电迎接我的是一个烟花,这是我预料中的事情。是我接错了线,结果是烧了一个变压器,点击查看原图




当然不甘心啦,密谋把牛救活,就开启了拯救烟花牛的历程。
第一步 解剖





点击查看原图


#p#分页标题#e#
点击查看原图

点击查看原图

点击查看原图

点击查看原图

点击查看原图

点击查看原图



又过了一些日子,学习了牛是如何养成的。就买了些铜线。绝缘纸等养牛必须 品。





点击查看原图
点击查看原图


点击查看原图

点击查看原图

点击查看原图#p#分页标题#e#

点击查看原图

点击查看原图

点击查看原图

点击查看原图

点击查看原图

点击查看原图

点击查看原图

点击查看原图

点击查看原图

点击查看原图

点击查看原图

点击查看原图#p#分页标题#e#

点击查看原图

点击查看原图

点击查看原图

点击查看原图

点击查看原图

点击查看原图

点击查看原图

点击查看原图

点击查看原图

点击查看原图

点击查看原图

点击查看原图#p#分页标题#e#

点击查看原图

点击查看原图

点击查看原图

救牛成功后就装好了人生中第一台胆机!!!


点击查看原图

点击查看原图

点击查看原图



       开声了,由于不是发烧友,对声音要求不高,但噪音控制的很好,最大音量耳朵贴喇叭一点也没有!!!非常开心。
  
      装完后当然没有满足了,内脏实在太乱了。继续学习把内部搞好吧!



点击查看原图

点击查看原图

点击查看原图




#p#分页标题#e#
又是上网学习了一段时间,这次到了一个音响论坛--HIFIDIY 。


那里真正高手如云,但由于相差太远了,我只看懂了些皮毛!没关系慢慢来!


没多久认识了一个新词又激起我装机的热情!~~~
搭棚 


心动不如行动开始练习搭棚吧!有了第一台的经验,可以玩玩啦!找来一旧光驱。开刀


点击查看原图

点击查看原图

点击查看原图

点击查看原图

点击查看原图

点击查看原图

点击查看原图

点击查看原图

点击查看原图

点击查看原图#p#分页标题#e#

这台光驱胆机是吧第一台的零件拆了装成的。只是外观不同,电路原理是一样的!补上电路图。
点击查看原图







到这里算是入了门,对电路开始有一点点明白了。由于是套件,基本不用自己动脑,都是前辈设计好的电路和配好的电容电阻!


如果想进步,必须自己能设计电路,我当然没有设计的能力啦,能装起来已经是我的极限了。


然后学习自己买零件,自己找电路图,尝试自己装一台胆机!


又是上网学习,决定前进一小步 ,装个相近的6p6,最重要是便宜,就算再烟花也不要紧,当练手!


买零件开始晋级挑战!






点击查看原图











点击查看原图


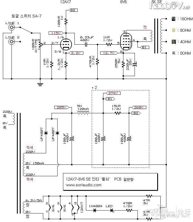
这图是在hifidiy的 天狼 前辈画图 简单易明  

点击查看原图
 电路原理图

点击查看原图



点击查看原图#p#分页标题#e#

点击查看原图

点击查看原图

点击查看原图

点击查看原图

点击查看原图

点击查看原图

点击查看原图

点击查看原图

点击查看原图

点击查看原图

点击查看原图

点击查看原图#p#分页标题#e#

点击查看原图

点击查看原图

点击查看原图

点击查看原图

点击查看原图

电源部分。为了省钱,找了个坏的电源拆了些零件来用!
点击查看原图


点击查看原图



点击查看原图

点击查看原图

点击查看原图

点击查看原图#p#分页标题#e#

点击查看原图

点击查看原图

点击查看原图

为了方便加了个耳机接口!
点击查看原图

点击查看原图

点击查看原图

点击查看原图

点击查看原图

点击查看原图

点击查看原图

点击查看原图

点击查看原图#p#分页标题#e#

点击查看原图

点击查看原图

点击查看原图

点击查看原图

点击查看原图

点击查看原图

完工,到此胆机入门阶段完成!作个纪念。也是首个在太平洋发的帖子!谢谢观看!!!
(责任编辑:admin)
织梦二维码生成器
顶一下
(31)
59.6%
踩一下
(21)
40.4%
------分隔线----------------------------
发表评论
请自觉遵守互联网相关的政策法规,严禁发布色情、暴力、反动的言论。
评价:
表情:
用户名: 验证码:点击我更换图片
栏目列表
推荐内容