|
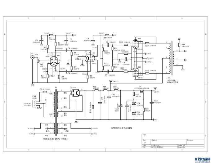
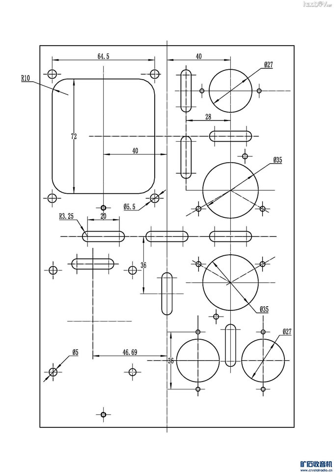
2016年还几天就要结束了,这件DIY胆机也就算是告别2016年迎接新年的礼物吧! FU-50推挽 音色真是很好!中音饱满、低音厚实、高音亮丽。 ![]() 以下图中...是在2007年买的两套 FU-50推挽机的电源牛和输出牛,几个月前翻箱底找出来留了个影。 当时是一朋友还给了份FU-50推挽的电路图。 ![]() ![]() 电源牛经测算,一个电源牛做二路FU-50推挽功率是不够的,后就二改一。原电路也有较多的不妥,也将其完善。 方案:6N8P+6N7P+FU-50; 结构和布局: 做成分体镜像...出图...干活... 电路原理图 ![]() 面板图 ![]() 机加工 打孔 铣边 ![]() ![]() 试装 目测 调整 ![]() ![]() ![]() ![]() 焊机 全部是棚焊 ![]() ![]() 装调 测试 ![]() ![]() 请观赏 ![]() 整机功耗:240W; 输出功率:20W 失真小于 0.5%; 30W 失真小于 1% ; 当然FU50推挽比FU50单端功率还要大几赔,单端的功率储备远不及推挽,也就是说它的动态不如推挽。 要真实展现音乐和表现音乐的魅力,功放一定要有足够的功率储备、好的输出频响和尽可能低的输出失真率。 音乐的重放...与器材的搭配很重要,这是个系统。 我的搭配都是理性配置: 1、箱子:SP80A(德生 逆向设计的 L 3/5A); 2、功放:DIY FU-50推挽; 3、前置:蓝牙4.1+QQ音乐+下载的无损节目(通过手机播放)。 我是这样慨括...此套配置 低音厚实...而不濁;中音饱满...而不散;高音靓丽...而不刺。 表现我很满意! ![]() ![]() ![]() (责任编辑:admin) |



































