|
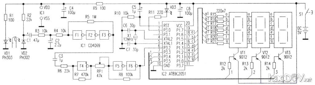
本文先容一种用单片机制作的脉搏丈量仪,只要把手指放在传感器内,很快就可以准确测出每分钟脉搏数,丈量的功效用三位数字表现出来。 一、电路事变道理 电路道理见附图。电路由传感器电路、信号放大和整形电路、单片机电路、数码表现电路等四部门构成。 传感器由红外线发射二极管和吸取二极管构成,丈量道理如下:将手指放在红外线发射二极管和吸取二极管之间,血管中血液的流量跟着心脏的跳动变革,因为手指放在光的转达路径中,血管中血液饱和度的变革将引起光的转达强度变革,此变革和心跳的节奏相对应,因此红外吸取二极管的电流也随着心跳的节奏改变,使得红外吸取二极管输出与心跳节奏相对应的脉冲信号。该脉冲信号经F1~F3、R3~R5。C1、C2等构成的低通放大器放大,F4、R6、R7、C3构成的放大器进一步放大后,送给由F5、F6、RP1、R8等构成的施密特触发器整形后输出,作为单片机的外部间断信号。电路中的可变电阻RP1用来调解施密特触发器的阈值电梗吹鹘獾缏返难杆俣取?/DIV> IC2、X1、R10、C5等构成单片机电路。单片机对由P3.2输入的脉冲信号举办计较处理赏罚后,送到数码管表现。发光二极管VD3作脉搏丈量状态表现,脉搏每跳动一次,VD3点亮一次。 三只数码管VT1~VT3、R12-R21等构成数码表现电路。本机回收动态扫描表现方法,行使共阳数码管,P3.3~P3.5口作三只数码管的动态扫描位驱动码输出,通过三极管VT1-VT3驱动数码管。P1.0-P1.6口作数码管段码输出。
二、软件计划 措施用C说话编写,由主措施、外部间断处事措施、按时器TO间断处事措施、延时子措施等模块构成。主措施首要完成措施的初始化。外部间断0处事措施由丈量、计较、读数等部门构成。按时刻断处事措施由计时、动态扫描表现、无测试信号判定等部门构成。措施顶用变量n对时刻计数,用变量m对脉搏脉冲信号个数计数。 从P3.2口输入的与脉搏相对应的脉冲信号作为外部间断0的哀求间断信号,外部间断回收边缘触发的方法。因为脉冲信号的频率很低,以是不相宜用计数的要领举办丈量,故而回收测脉冲周期的要领举办丈量,即用脉冲来节制计时信号,通过计时数计较出脉冲周期,再由脉冲周期计较出频率,从P3.2口每输入一次脉冲信号就能表现一次脉搏数。 按时器TO的间断时刻为5ms,每间断一次计时变量n加1,因此计时的根基单元为5ms,譬喻一个脉搏脉冲周期对应的n值为240,则对应的时刻为1.2s,由此可得每分钟脉搏数为50。假如n的值到达2000,即10秒钟仍没有产生外部间断,则暗示没有脉搏脉冲信号输入,于是n被清零,丈量功效表现也为0。 读数回收三位数码表现。按时器TO每间断一次表现一个位,因此3次间断就可以革新一次数据,即15ms革新一次数据。 三、安装与调试 传感器的制作是一个要害。可将红外线发射二极管和吸取二极管别离牢靠在一个塑料夹子的两侧,用时只需将夹子夹在手指上即可。制作时留意担保红外线吸取二极管在行使时不要受到外界光泽的滋扰。 调试的首要事变是通过对RP1的调理来调解电路的迅速度,RP1的阻值越小迅速度越高,反之迅速度越低。调试时可通过VD3的发光状态举办调查,假如脉搏跳动时VD3不跟从发光,则声名迅速度偏低,不易检测到脉搏信号;假如在没有脉搏跳动时VD3无意也点亮发光,声名迅速度偏高,轻易受到滋扰。 (责任编辑:admin) |
















