|
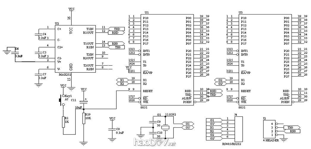
仿真器对大大都单片机开拓职员来说是不行缺傲幽开拓器材,他能清晰的闪开拓职员知道芯片内部运行的状态,从而找出措施的BUG,根基上可以实现边修改边调试运行,大大进步事变服从。我早年用的仿真器也是公司几千元买来的,不外我此刻用的就是几十元的仿真器,用起来还挺随手的。此仿真器是回收SST89E564芯片共统一些电子元器件制作的仿真器。仿真措施代码63K,现将此仿真器的资料清算如下(部门网站上也有清算,但不足完美): 1.先贴一张道理图:
2.按照以上道理图将以上硬件搭好,再筹备一条串口延迟线和电路板连好,另 外我们再下载一个制作仿真器的软件SSTEasyIAP11F.exe将监控措施写入到 芯片,写完之后我们仿真器也就做好了。详细要领如下: 3.SSTEasyIAP11F.exe软件的下载地点:(虽然此外处所也有许多的,可以搜一下) 4.解压后打开如下界面:
5.按下图操纵,点击赤色箭头:
6.获得如下界面,我们先选择仿真芯片为SST89E564,然后点击OK
7.获得下图后,我们点击确定,上电.
8.当呈现下图赤色箭头所示,暗示毗连乐成.
9.接下来我们开始下载监控措施,单击赤色箭头的DownloadSoftICE
10.如下图所示,我们点击OK开始下载监控措施
11.整个下载进程不到1分钟就完成了,就这样一个仿真器做好了 (责任编辑:admin) |






















