最好的电子音响科技diy制作网站

haoDIY_音响电子电脑科技DIY小制作发明

当前位置: 主页 > 电子DIY > 单片机 >

制作采用PIC单片机控制的电话小总机

时间:2013-01-14 10:00来源:网络 作者:网络整理 点击:
免费提供各种电子制作文章、资料、图纸
    本小总机以PIC单片机节制,行使简朴,分机间可相互内线通话,最大利益是当供电遏制时,各分机仍可打外线,且保持通话保密的成果。

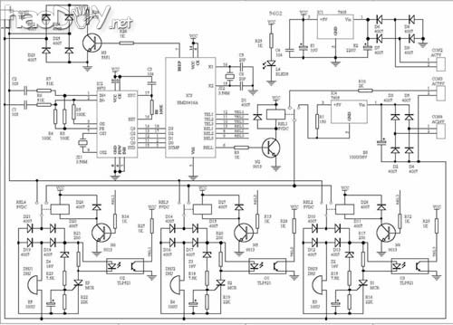
     电路道理:
     IC2-8870作DTMF信号检测,送入单片机IC3-PIC16C54中,单片机按照环境节制继电器的吸合,完成对各分机的节制。当必要内线通话时,提起某一分机(如DHJ1),提机信号通过光电耦合O2-TLP521送入IC3中,拨打分机号码由8870检测送入IC3,IC3驱动响应分机的继电器吸合,以及由REL继电器送入响铃信号,当被叫分机提机时,REL1接通由IC4、R1构成的恒流源供电给各分机事变;当有外线电话打入时,个中一分机提机,需转到另一分机时,拨打该分机号码后挂机,单片机通过7脚保持提机状态,然后通过吸合响应的继电器,送入响铃信号,呼唤分机;当供电遏制时,由可控硅构成的分线器电路仍可保持各分机正常拨打外线及通话保密。

制作采用PIC单片机控制的电话小总机

(责任编辑:admin)
织梦二维码生成器
顶一下
(0)
0%
踩一下
(0)
0%
相关文章
------分隔线----------------------------
发表评论
请自觉遵守互联网相关的政策法规,严禁发布色情、暴力、反动的言论。
评价:
表情:
用户名: 验证码:点击我更换图片
栏目列表
推荐内容