最好的电子音响科技diy制作网站

haoDIY_音响电子电脑科技DIY小制作发明

当前位置: 主页 > 电子DIY > 综合DIY >

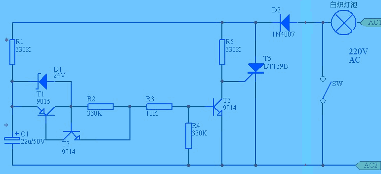
熄灯延时电路(仅限白炽灯)

时间:2012-09-03 15:46来源:未知 作者:admin 点击:
原理简述:当SW闭合时,LAMP正常点亮,C1上的电放得光光的.SW断开,开始进入熄灯延时过程.电流被D2整成半波,LAMP亮度立即下降,作为延时指示.R1对C1充电,C1电压缓慢上升,但还没有使D1击穿,因此T3是裁止的,T5通过R5触发,灯不熄灭.R5不能太小,以能触发T5为度,否则T5
原理简述: 当SW闭合时, LAMP正常点亮, C1上的电放得光光的. SW断开, 开始进入熄灯延时过程. 电流被D2整成半波, LAMP亮度立即下降, 作为延时指示. R1对C1充电, C1电压缓慢上升, 但还没有使D1击穿, 因此T3是裁止的, T5通过R5触发, 灯不熄灭.R5不能太小, 以能触发T5为度, 否则T5触发太早C1上将充不到足够电压. C1充电到24V以上时,D1击穿, T1/T2雪崩导通, C1向T3提供基流, T3饱和, T5不再触发. 灯熄灭. R1*C1决定延时长短, 可实验测定. 
熄灯延时电路(仅限白炽灯)
 
(责任编辑:admin)
织梦二维码生成器
顶一下
(0)
0%
踩一下
(0)
0%
------分隔线----------------------------
发表评论
请自觉遵守互联网相关的政策法规,严禁发布色情、暴力、反动的言论。
评价:
表情:
用户名: 验证码:点击我更换图片
栏目列表
推荐内容