触摸开关电路
时间:2012-09-03 15:57来源:未知 作者:admin 点击:
次
触摸开关电路是一个电子开关电路,它通过用手指触摸两个不相通的导体,达到控制电路的通或断。 一.预备知识 1.以后各讲均使用555集成电路,现在我们将陆续介绍555的有关内容。 555集成电路在70年代研制出来,主要做定时器用,称之为时基集成电路。由于该电路
触摸开关电路是一个电子开关电路,它通过用手指触摸两个不相通的导体,达到控制电路的通或断。
一.预备知识
1.以后各讲均使用555集成电路,现在我们将陆续介绍555的有关内容。

555集成电路在70年代研制出来,主要做定时器用,称之为时基集成电路。由于该电路适应电压可达5~18V,能输出200mA电流,可直接驱动继电器、发光管、指示灯和喇叭等,作为振荡器时工作频率可达300kHz,所以用途极为广泛—我国生产的555有:5G1555、FX555、FD555等,555前面的字头是厂家或公司的标记。我们经常使用的是一种双列直插8脚塑料封装的集成电路(如图1),上面标有NE555的字样。集成电路管脚的识别方法是,将集成电路的印字标记正对自己,左边中间常有一凹点,左下方第一引脚为第1脚(一般第一引脚上方常有一圆形标记),然后逆时针数为2、3、4、5、6、7、8脚。无论是模拟集成电路,或是数字集成电路,凡是双列直插集成电路,都是如此确定管脚。555的8个管脚名称是:1脚接地,即接电源负极,2脚触发 3.脚输出:4脚复位,5脚控制,6脚闵值7脚放电8脚接源正极.触膜开关电路共使用了555的6个管脚,下面就此6个管脚做一简单介绍。 555集成电路必须加电源才能工作,使用时将8脚接电池正极,1脚接电池负极。4脚为复位端,在兴趣电路中,我们一般把它接电源正极 3脚为输出端,它有两种输出状态,一种为高电平,另一种为低电平。高电平和低电平是数字电路中使用的一种技术名词。它对应数字电路中的“1和“0”,电路的通或断等。在数字电路中,“高电平”、“低电平”不是指某个固定不变的电压,而是指一定的电压范围。这是因为,在数字电路中,一个电路的输出倍号是另一个电路的输入信号。由于器件的差异,输出的高电平和输出低电平都会有差异。因此,在实际应用中常常规定高电乎和低电平的电压范围。555集成电路是由晶体二极管和晶体三极管组成的。我们把凡是由二极管和三极管组成的数字集成电路称做TTL型集成电路。TTL型集成电路规定,输入低电平为0—0.8V,输入高电子为2~5V,输出低电子为0—0.5V,输出高电子为2.7~5V。 在我们用555搭接组装的兴趣电路中,3脚输出高电平几乎等于电源正极电压即6V,3脚输出低电平近似于电源负极电压即OV。3脚输出高电子或低电平是由2脚和6脚输入电压决定的。当2脚电压≤1/3电源电压(当电源电压为6V,1/3电源电压为2V)即2V时,3脚输出高电平,当6脚电压≥2/a电源电压即4V时,3脚输出低电乎。由于触摸开关电路仅使用上述6个管脚,有关555的使用知识暂先介绍到这里,
2.555的线路图符号如图2所示。

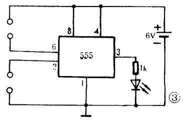
二.触摸开关电路工作原理参阅图3,为了使555正常工作,1脚接电池负极,4脚和8脚接电池正极。3脚接LED发光二极管,当3脚输出高电平时,LED灯亮,3脚输出低电平时LED灯灭。这里LED主要检测3脚的输出状态,若3脚改接继电器也可以控制其它的电器,当我们用手指按住2脚与地的引线端,相当于将人体电阻接入电路,由于经过人体的电流微乎其微,所以人体在电路中几乎没有电压降,相当于2
脚直接与地(0V)相通,此时3脚输出高电平,LED灯亮。同样,当我们用手指将6脚与电源正极引线端按住时,相当于6脚与电源正极(+6V)相通,此时3脚输出低电平,LED灯灭。三.连接触摸开关电路参照图4。首先将555集成电路上下跨接在实验板中间的横凹槽上。然后用短线把l脚与地连接,再把4、8脚与电源正板连接。3脚与地之间插入发光二极管LED。插时注意LED的正、
(责任编辑:admin) |
织梦二维码生成器
------分隔线----------------------------