|
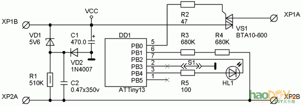
一般的浴室排气扇都是直接用一个开关控制,全手动操作,既不省心又不科学。 加入下面这块小小的电路,能让你的浴室排气扇立刻智能起来。
当浴室的灯亮起的时候,它会控制排气扇自动开始运转。当洗完澡以后,它还会保持排气扇运转一段时间,以更科学的排出室内湿气。
核心部件是一片Attiny13的单片机,通过巧妙的电路设计,一个LED即充当了感光元件,又充当了指示灯。
全部设计资料:smart-bathroom-fan-timer.rar (责任编辑:admin) |
|
一般的浴室排气扇都是直接用一个开关控制,全手动操作,既不省心又不科学。 加入下面这块小小的电路,能让你的浴室排气扇立刻智能起来。
当浴室的灯亮起的时候,它会控制排气扇自动开始运转。当洗完澡以后,它还会保持排气扇运转一段时间,以更科学的排出室内湿气。
核心部件是一片Attiny13的单片机,通过巧妙的电路设计,一个LED即充当了感光元件,又充当了指示灯。
全部设计资料:smart-bathroom-fan-timer.rar (责任编辑:admin) |
十年前,戴耳环还可能被视为叛逆的象征,现在不戴才更引人注目了吧。所以,怎么才能让...
出门的时候带手机又带公交卡口袋是不是很挤呢,如果拿手机凑上去逼的一下是不是很酷呢...
鉴于网络上没有完整的固态特斯拉线圈教程,所以我精心准备了这个贴子,现在大部分SSTC...
想建立自己的工作台可以参考我的这个帖子! http://bbs.mydigit.cn/read.php?tid=8968...
前言:无线电遥控器和红外遥控器大家都熟悉,它们只能近距离的进行操作,如何在办公室...
现在的加湿器都是功能单一,能不能设计一个简单的比较好玩而又有动感的加湿器,在完成...
感光法制作pcb
更新:2017-07-04
『MM DIY』橡皮泥,环氧树脂翻新
更新:2017-05-28
纪念日数显倒计时电路
更新:2014-06-08
DIY自制空气净化器教程简易空气
更新:2017-07-14