|
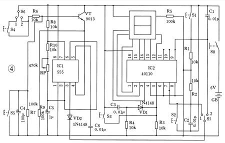
此尝试器是通过一位计数器电路与响应的脉冲产生器电路组合而成,具有电路新奇、制作轻易、调试简朴等利益,下面分两部门举办先容。 一、 一位数加、减计数电路 1首要元器件简介 (1) CD40110计数集成电路 运用该电路能完成十进制的加法、减法、进位、借位等计数成果,并能直接驱动小型七段LED数码管,其逻辑成果见图1。R为清零端,R=1时,计数器复位,CP为时钟端(CPU为加法计数时钟,CPO为减法计数时钟),QCO输出进位脉冲,QBO输出借位脉冲,TE为触发器使能端,TE=0时,计数器事变,TE=1时,计数器处于榨取状态,LE为锁存节制端。 (2) MTS3101AR七段数码管 此器件为小型LED共阴极数码,CD40110与它配套行使可直接驱动表现,其形状及管脚分列及等效电路见图2。 2一位数加、减计数电路事变道理简介 图3为一位数计数器的电路图。按S1加法计较,S2减法计较,S3复位,本电路为十进制加、减计数器,逢十时自QCO端输出进位脉冲,送至下一个沟通计数器CPu端(9脚)将继承累加(即为十位数),将QCO与下一位的7脚相连,将可做减法借位运算,以此类推可构成个、十、百……位计数器,构成多位计数器或体育比赛计分牌。 二、 数显电子点将、回响测试、多成果尝试器 1事变道理 图4是电道理图。由555电路构成脉冲产生器,3脚VO端输出持续脉冲加至CD40110加法或减法输入端,调解RP,可改变脉冲速率。

由VT及电阻R2、R3、C3构成启动延时电路,当S6置1,S7置1,按下S4,计数器开始作快速0至9轮回表现,如将S7置2,轮回表现将变为9至0。当C3通过R3放电后,VT截至,555电路4脚为0,电路遏制振荡,无正脉冲输出,数码管将随机停在某个数字上,点将数码发生。当S6置2、S7置1,电路将自动举办0至9快速数字轮回表现(RP可调速),操纵者操作手眼共同,当令按下S5将到达停显在指定的某个数。此时作品即为回响手段测试器。 2元器件选择与制作 VT为9013或9014(β>80),S1~S5为小型按钮开关,S6~S8为小型三脚拨动开关,电阻R均为1/8W。 提议IC1、IC2设置8脚及16脚IC插座。所有焊接完成后,在接通电源前,用万用表Ω×100挡,丈量整机正反向电阻(MF50万用表测试,参考值为正向电阻600~800Ω,反向电阻为5~10kΩ)若无短路征象即可举办接电源试验,留意电源电压如低于45V,555振荡电路将遏制事变。 接通电源,将S6置1,S7置1,按下S4数秒,如数码管按必然速率,作0至9轮回表现即可,停显后,可搜查1位计数器事变环境。如无轮回表现,需搜查555脉冲振荡电路,测试各脚电压参考值为:8脚6V,4脚4V阁下,2、6脚17V阁下,7脚5V阁下,5脚38V阁下,1脚为零,如各脚电压正常,3脚应有脉冲输出,用万用表直流电压10V挡或示波器调查,发明哪部门有妨碍,请细心搜查各器件焊点,焊接前需留意元器件的筛选与测试。其余各成果的检测请自行完成。
(责任编辑:admin) |