|
网友谢路春制作的光立方,8 x 8 x 8 尺寸,相当不错。
视频欣赏
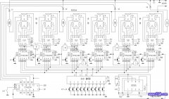
下面是制作过程中的照片,可惜少了点文字说明,希望他能抽空分享一下制作经验。 补充作者说明(2011-11-07): 大家好,我是作者。我自从在本网站看到光立方后就一直有想自己做一个的想法,888光立方,工程浩大,我又怕我会半途而废,所以先做了个小的。 就是上图PCB板上那个,较丑,较乱的(是444光立方,这个属于工程验证品)。 经过一段时间的努力,尽然获得了成功,之后我就有了做大的信心了。 做这个很需要耐心。下面简单讲一下立方体的连接规律: 光立方从下到上共8层,每一层64个LED的负极接到一起(说明一下,从上看架子上有好多铜线,其实不要在电路也是可以的,它们起保持架子结构作用), 第一层64个正极单独引出, 第二层的每个正极分别接到它对应第一层正极, 第三层的正极接第二层的正极。。。。。 就是竖着看是8个接到一个正极上。 整个光立方引出8 个层引出线加上64个正极引出线,共引出72根线。( 我的架子间隔是2cm,正好用LED的引脚,LED的引脚是要用钳子折出形状的,在此讲不明白,同志自己研究吧)。 再讲一下,光立方的工作原理: 单片机先送出8字节数据,即64位,再选择第一层,点亮或熄灭第一层的64个LED,然后再送出8字节数据,选择第二层,依次类推。到第8层后,再到第一层,接着循环。就是用单片机的定时中断扫描。 程序方面,定义一个二维数组,如cube[8][8],第一个8代表8层,第二个8代表每层的8行,每字节的8位代表每行中的8个LED。改变这个数组即改变了光立方。 电路板焊接方面比较简单,照着从本网站下载的资料中电路图焊就行了(那个电路图要用eagle才能打开,先到百度里输入eagle搜一下就能下载到),应该先把整个IC的座子焊完后再装IC,不然有焊坏IC的可能。用万能板焊,要飞很多跳线,要很有耐心。架子要想焊的好也一样。 同志们要坚持住啊。不好讲,语文能力有限就讲这么多了。
(责任编辑:admin) |

































