晶体管调频调幅四波段收音机(3)
时间:2013-02-23 18:24来源:www.crystalradio.cn 作者:suhonggui 点击:
次
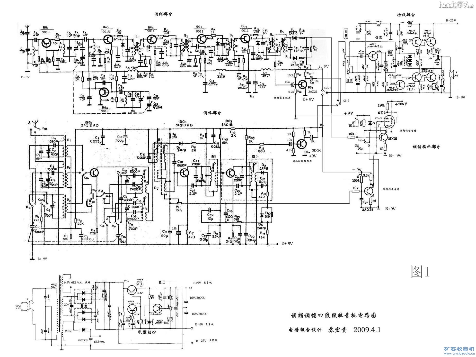
作在10.7兆赫上,使用一般调幅机常用的3DG200系列即可。(实际采用9011) 因为该机的特色是调频,所以首先DIY调频部分。其印制板电路如图2 主电路印刷版1.jpg (125.71 KB, 下载次数: 144) 为了适应低放电路供电的不
作在10.7兆赫上,使用一般调幅机常用的3DG200系列即可。(实际采用9011)

|
因为该机的特色是调频,所以首先DIY调频部分。其印制板电路如图2 |
-
-
主电路印刷版1.jpg (125.71 KB, 下载次数: 144)

|
为了适应低放电路供电的不同方式,印刷板有三根走线(带斜线的)要根据具体情况联接。先假设低放电路电源正极接地,此时图1中的BG7用锗(PNP)管,R30焊在电路板RA(虚线)的位置,RB(虚线)的位置用导线短路。电路板中A1、A2两处用焊锡连起来,这样音频信号从a1(C39正极)和a2输出。如果低放部分是电池负极接地,图1中的BG7应改用硅(NPN)管,R27和R26位置互换,C36极性反接,局部电路参考图3(a、b)。此时R30焊在RB(虚线)的位置,RA(虚线)位置用导线短路。并且将P1、P2两处用焊锡短路,音频信号就从b1(C39负极)、b2(音频地)输出。由于C38极性只与D1、D2的方向有关,与电源正负极的接法无关,故不必更动。 |
-
-
负极供电射极跟随器.jpg (101.96 KB, 下载次数: 113)

调谐器组装完毕之后可与调幅收音机联接起来,调频与调幅波段可用波段开关控制转换。联好之后先加上直流电源,将调谐器各管子工作电流调到图1所标数值,然后进行交流调试。用信号发生器调试的方法如下:将信号发生器输出一个等幅(未调制的)10.7兆赫、5~10毫伏的信号,从BG6基极输入,调整B4、B5使输出最大。然后从信号发生器输出10.7兆赫调幅信号,再微调B5使输出最小,此时表示对调幅抑制最好。一般鉴频器约有0~6dB(0~2倍)左右的增益,因此10毫伏中频信号输入应有10~20毫伏左右的音频电压输出。并且当已调频信号在10.7兆赫左右改变频率时,音频信号应有图5那样的变化,两谷之间约有600~800千赫的距离,小峰应比大峰低6dB以上。然后将10.7兆赫调频信号逐级从2中放、1中放和BG3的基极输入信号,调整B3、B2和B1使音频输出最大。如果输出最大时失真太大;则应调B3、B2和B1使失真最小。最后,将超高频信号从天线端输入。低端调L4匝距,高端调C20的容量,反复调整几次使调谐器能够复盖87~109兆赫频段。统调可按如下步骤进行:先输入88兆赫信号,调L2匝距,使输出最大;再输入108兆赫信号,调C6使输出最大,反复几次。最后从天线输入10.7兆赫中频,调L3匝距使输出最小。到此整机全部调整完毕。正常情况,每级中放有16~20dB(4~10倍)左右的增益。调频头有20dB(10倍)左右的增益。因此鉴频器输出10毫伏音频信号时,天线输入超高频信号应在几十微伏至几个微伏。从调谐频率向左右偏离±400千赫时衰减量应有20dB以上。
业余条件下没有信号发生器,可使用电台广播信号调整。方法是调谐可变电容,找到本地的调频台,调整中频变压器及鉴频线圈使喇叭的发声最响。如果声音最响时失真大,则应反复调B1、B2、B3、B4、B5使失真最小,此时可以说中频通带已正常。然后调本振的L4、C2,使收到的电台位于度盘的正确位置上,再调L2、C6使声音最响。
调试中最易发生的问题是中放自激。有自激时输出波形中带有各种寄生杂波,声音失真难听,严重时啸叫以至完全不能工作。这时可在中周槽路上并联几千欧的电阻,或将中周抽头至集电极之间的匝数减少。必要时可如图1所示加入中和电容CN(1~2pF)。如果没有自激,可将中周初级的中心抽头与集电极之间的匝数增加几圈,这样可进一步提高中放增益。
调幅调谐器可用成品机或自制,其组装和调试不在此叙述。
DIY机过程如下:
1、制作调频部分电路板 |
(责任编辑:admin) |
织梦二维码生成器
------分隔线----------------------------