最好的电子音响科技diy制作网站

haoDIY_音响电子电脑科技DIY小制作发明

直放式AM收音机制作

时间:2013-05-05 10:55来源:未知 作者:admin 点击:
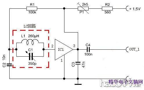
LC调谐回路+7642直放+低放功放+电源 LC回路 用下面的公式计算LC回路: 比如当采用350pF的可变电容时,配套的天线线圈电感约为260H: 该回路覆盖频率的低端约为528KHz;高端(假设可变电容的最小电容为20pF)为2207KHz 所以它的覆盖范围为528~2207KHz,可

LC调谐回路+7642直放+低放功放+电源


直放式AM收音机制作


直放式AM收音机制作

LC回路
用下面的公式计算LC回路:                                                                                                                           

直放式AM收音机制作


比如当采用350pF的可变电容时,配套的天线线圈电感约为260μH:                                             

直放式AM收音机制作


该回路覆盖频率的低端约为528KHz;高端(假设可变电容的最小电容为20pF)为2207KHz
所以它的覆盖范围为528~2207KHz,可以满足中波广播频率530~1700KHz的接收。
如果你采用不同容值的可变电容时,就要利用这个公式计算所需天线线圈的电感值以便满足接收。

直接放大电路
直接放大检波式收音机专用集成电路,内部由9只三极管、16只电阻器和4个电容器组成,功能包括一级高阻输入缓冲、三级高频放大和一级检波,采用TO-92型塑封包装,其包装形式与普通9014型塑封小功率晶体三极管完全相同。
主要特点:
工作电压低,1.3~1.5V;
耗电省,无信号时工作电流为0.4mA左右;
工作频带宽,150~3000kHz;
放大能力强,功率增益可达72dB;
自动增益控制范围可达20dB。
不同厂家的型号有所不同,管脚排列也有所不同,但内部电路和功能完全相同。
具体的型号有:
D7642、TA7642、CTC7642、UTC7642、YS7642、BS414、MK-484、2N414、ZN414、YS414、LMF-501
等等。
典型应用电路:                   

直放式AM收音机制作


管脚图:                                                                                          

直放式AM收音机制作

低放功放与电源电路
这部分电路可以根据个人情况来选取。
比如低放功放既可以选用分立器件的也可以选用IC的。
IC功放常用的有TDA2822(M)、LM386等。另外还有一种IC,HT82V733,但不常用。
TDA2822 

直放式AM收音机制作

直放式AM收音机制作

直放式AM收音机制作

(责任编辑:admin)
织梦二维码生成器
顶一下
(0)
0%
踩一下
(0)
0%
------分隔线----------------------------
发表评论
请自觉遵守互联网相关的政策法规,严禁发布色情、暴力、反动的言论。
评价:
表情:
用户名: 验证码:点击我更换图片
栏目列表
推荐内容