|
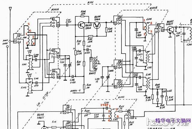
本人一直这对国产老机兴趣浓烈,对欧洲机器(特别根德,兰宝)有价合适的也收收,特讨厌鬼子垃圾。在去年一不小心掉入本潭,一直就泡着没机会上岸。看到再高放三连的各类军机垃圾象遛狗般在漂里进进出出。主要出于好奇,在年初顺手抓来一只看看是啥玩意。到手基本是全新机器,上家说是他亲手开苞并只通了一回电,因手头机器多啥的出我,我到手一加电,杂音一片,经查有二问题;1.是C301 0.1U 电容失效,造成杂音来源是它;2.是C228 电容短路,使得AGC功能丧失:二故障排除机器接收短波信号还是不错。但老用耳机听久了耳朵痛,(没儿时的那种忍耐劲了,那时再疼也忍得) 想到我们平时真正听广播还是FM第一,MW第二,这短波应该是排最后的选择,中139A的短波一在我们手上简直就是废物一个,啥作用都没有,在本潭发帖问问谁改过没有?居然才发现才一位兄弟玩过(不知怎没下文),再考虑到我要改出后能被其它手头有这玩意的兄弟方便动手,在取材就先往普及型元件上想想了,天线用10X200磁棒,高放与中震电感采用都随手可得的10X10中周作骨架。中震要出六根线头,我手头的这中周都是五线头的,用0.8mm小转头再二出线的这头中间挖出一孔。 各电感数据如下: 天线线圈:1-2 用7X0.08股纱包线绕32+45圈 3-4 端用7X0.08或单股的0.2mm,5-6 端0.4绕五圈。 高放线圈:1-2 绕80圈,2-3绕40圈;4-5绕10圈。用0.08mm漆包线: 中震线圈:1-2绕17圈,2-3绕64圈3-4绕6.5圈;5-6绕二圈。用0.08mm漆包线: 具体接入电路如下: 中震部分:将原机的短震一L107电感拆除,在这地方用转头打6个1.0(放入中震骨架)与2.2mm(放入中震外罩)小孔。我将2.2的孔铆上鸡眼,如不铆鸡眼的可打小点。要注意与外屏蔽罩L107孔的对应,方便下来的统调跟踪。再将原C130的510P(这510P的别扔了,后面有用的上的地方)换为390P,将C125的680P换为2200P,将中震电感按图接入 高放部分:将原机的短一高放L104电感拆除,在这地方用转头打5个1.0(放入中震骨架)与2.2mm(放入中震外罩)小孔。我将2.2的孔铆上鸡眼,如不铆鸡眼的可打小点。要注意与外屏蔽罩L104孔的对应,方便下来的统调跟踪。再将原C119的1200电容拆除不用。将中高放电感按图接入。 天线线圈部分:将C101 82P与C103 1800P二电容拆除不用,原短一天线电感不碍事就不用拆了,将天线线圈放在PVC管里当磁棒盒,用5根排线连上,(特别要注意接空变端的(1)要用最外的一根线,空1根线不接后再用下面的三根线,这样可使中波高端统调能跟上。这磁棒盒也可当机器提手. 原高放版图片: |

















