|
矿坛多次举行DIY比赛,由于种种原因的关系一直都没参加过比赛。今年是矿坛10年庆,再不表示一下就愧对网友们的厚爱了。既然是收音机的论坛举行的比赛,还是DIY收音机比较好,一来技术性上没有那么高,二来趣味性又比较强,还有一定的实用性。
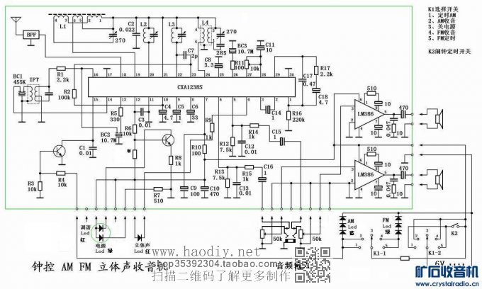
(责任编辑:admin)![]() ![]() ![]() 我是用旧的钟控收音机DIY了一个AM、FM立体声收音机。除了能听广播、当闹钟用之外,还可以做笔记本电脑的音箱。摆在桌子上也是一件不错的装饰品。DIY制作最难的就是机壳,我用旧的《钻石701》钟控收音机改造的。旧的钟控收音机的时钟已坏,无法修复。在网上买了一个小闹钟,拆出机芯装上。原来的钟控收音机只有中波,现在中波节目较少、噪声干扰也大,所以就改造成调幅中波和调频立体声收音机。这样不但节目源丰富、收音机的立体声功放还可以做笔记本电脑的音箱使用。 ![]() 为了方便DIY,电路设计选用了集成电路,使得整机机构比较简单,调试也很方便。收音机部分用的是日本索尼公司的CXA1238集成电路。它有两种型号,一是CXA1238AM,是贴片封装有28脚。另一是CXA1238AS是小直插封装有30脚。它们性能一样,只是接线有点不同。考虑到电路板制作和焊接的难易,我选择用小直插封装的CXA1238AS,CXA1238AS的价格稍微贵点,体积也大些,但制作时却方便很多。低放用的是LM386集成电路,它的特点是音质好,电路简洁。 电路原理和印刷电路见下图 ![]() ![]() 制作 1、电路板制作 根据电路图设计制作电脑印刷电路图—>打印热转印印刷电路—>腐蚀、钻孔—>涂松香液 ![]() 2、机壳改造 用自攻螺丝固定喇叭,然后用胶合板把空出来的部分封起来 ![]() 3、音量电位器安装改造 立体声收音机音量电位器要用双联电位器,原收音机电位器要加以改造。 ![]() 4、制作刻度盘 因为是俩波段收音机,原有的刻度盘不能用了。为了体现以人为本,本机设计了波段和调谐指示。还要用颜色表示波段和作调谐指示,故用透明塑料DIY了一个刻度盘。刻度盘是用水转印法制作的,具体操作方法可在网上搜素。 ![]() 5、石英钟 ![]() 机芯 ![]() ![]() ![]() 调试 因为使用集成电路,所以调试比较简单。音频不用调试,中频只微调一下AM中周ITF即可。统调操作也很简单,但叙述挺麻烦,这里就不啰嗦了。 最后来几张夜景 ![]() ![]() ![]() ![]() 附:相关线圈的数据如下: L4为AM振荡线圈,采用Φ0.06高强度漆包线绕制:①-③脚绕90圈,④-⑥脚绕25圈。用原收音机的中波振荡线圈改制。 L1为AM中波磁性天线线圈,①-④脚绕25+25+25圈采用0.07mm28股漆包线绕制,⑤-⑥脚绕15圈,0.07mm14股漆包线绕制。用原收音机的中波天线线圈改制。 L2为FM输入线圈,Φ0.6高强度漆包线绕4圈。绕制成直径约6mm的空心线圈 L3为FM振荡线圈,Φ0.6高强度漆包线绕6圈。绕制成直径约3mm的空心线圈 以上资料仅供参考,因为时间仓促,如有错漏请谅解。 |








































