|
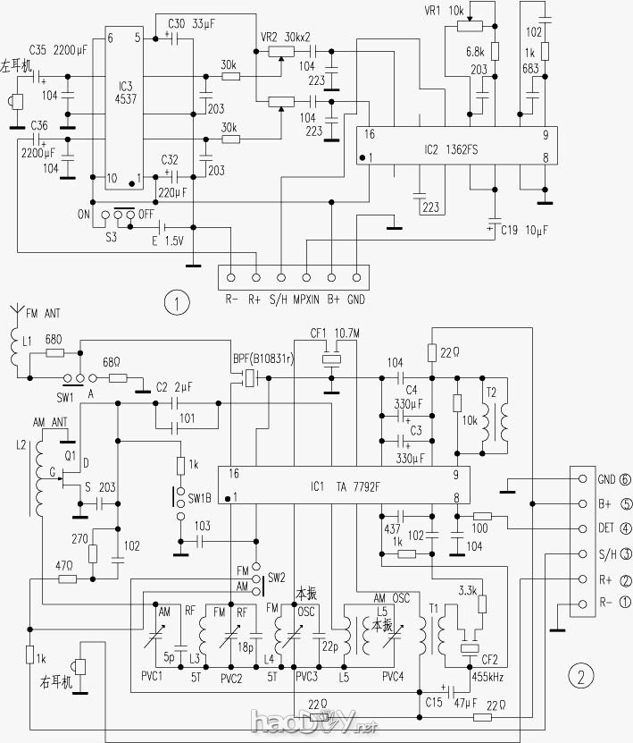
笔者对SRF-H2收音机电路举办分解,并照实物绘出其电道理图,供宽大喜爱者或维修者参考。 本机电路分为左耳和右耳两部门,通过内置6根漆包导线毗连。整机由三片1.5V超低压收音专用集成块及外围元件构成。左耳为立体声解码和功率放大部门;右耳为收音前置部门。 一、右耳部门(AM/FM收音前置) 如图2,TA7792F是一片低压(0.8V~1.5V AM/FM单片收音集成块,内含高放、混频、本振、 中放、鉴频及检波、调频调幅波段自动选择等成果。 1.调频分解。 波段开关拨向FM,此时TA7792F{2}脚呈高电平,其内部自动转换为FM波段。PVC2、L3等构成选频回路,PVC3及L4等构成调频本振回路,发生振荡信号进入TA7792F{3}脚,混频信号输出经CF1选出10.7MHz的中频信号后又输入内部举办中频放大。{9}脚外围T2及电阻构成FM鉴频器,其{8}脚输出的FM复合信号经排线{4}脚送往左耳部门举办立体声解码。 2.调幅分解。 波段开关拨向AM,TA7792F{2}脚因失电而转为调幅波段。L2为调幅磁性天线,此磁性天线感到出的调幅高频信号经PVC1选出530kHz~1600kHz的中波频率,再由场效应管Q1放大,远近程开关节制后送往TA7792F{13}脚内部的混频器。本振回路由L5、PVC4及{4}脚构成,混频信号从{5}脚输出经过T1、CF2等构成的选频器选出455kHz的中频信号后又送入{3}脚内部检波,最后由{8}脚输出调幅信号。 二、左耳部门(立体声解码及功率放大) 电路见图1,由立体声解码集成块1362FS及功率放大集成块4537构成。立体声疏散度可通过调理VR2加以节制,解码后的立体声音频信号从1362FS的{15}、{16}脚输出。1362FS{13}脚旨在为高电平常封锁立体声解码体系,低电平常启动立体声解码器。 从立体声解码器1362FS{15}、{16}脚输出的不管是FM立体声照旧AM单声道的音频信号,均经电容耦合,电位器节制音量巨细后送往功放集成块4537的{2}、{4}脚举办功率放大,放大后的音频从{7}、{9}脚输出,同样经电容耦合后送往阁下两只耳机,即可收听广播节目。 该机电源仅行使了一节7号电池,虽电压仅为1.5V但声音嘹亮,耗电量低是本机的一大利益。
(责任编辑:admin) |
















