|
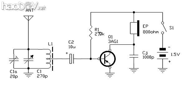
这是一个典范的直放式晶体管单管收音机电路。 L1和C1(C1a)构成调谐电路,用于调谐电台信号;个中的C1a可以省略。 在调谐电路中谐振的电台信号经耦合电容C2加到三极管Q1的基极,被由Q1、R1、EP和C3构成的放大电路放大,在放大的进程中操作Q1发射结的非线性特征同时举办检波,最后放大后的信号经耳机EP放作声音。 电路中,R1的浸染是为Q1提供直流偏置,以便使其能正常事变。C3的浸染是滤除检波后信号中残留的高频载波信号。
图中L1用纱包线绕70圈,在64圈处抽头;R1的阻值由尝试确定。 (责任编辑:admin) |






















