|
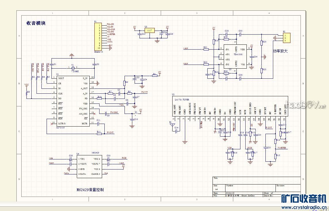
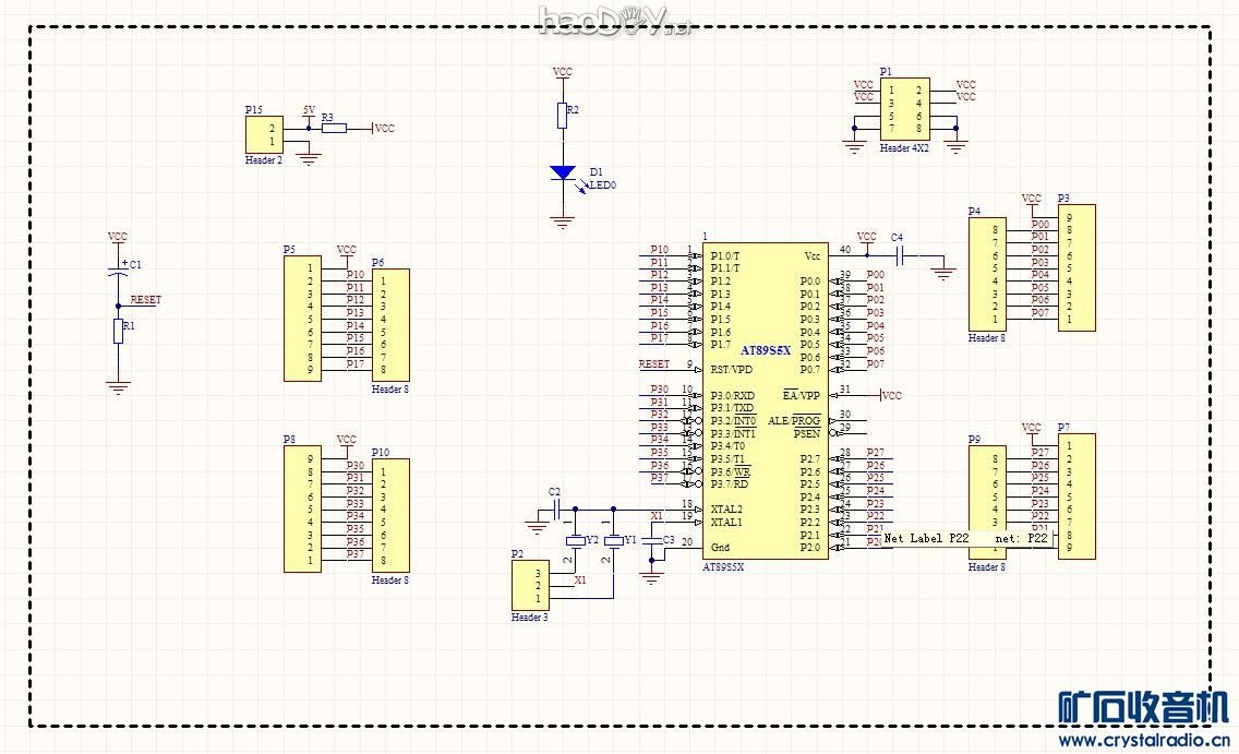
一直对收音机有种说不出的情结,陆续买过好多的收音机。也尝试着自己动手做过,但是仅限于做做PCB,能收到台了就算结束了,还没有做过一个真正的机器。正好年前年后有空就做了一个,顺便发上来参加DIY大赛。 设计目标: 1、在这个看颜值的时代,一定要漂亮; 2、PLL(锁相环)控制,确保频率稳定; 3、数字音量控制; 4、可以显示电台频率、信号质量、音量、立体声状态等; 5、触摸按键; PART1:机箱设计 要想做到颜值上佳,一个好看的机箱是不可或缺的;在论坛看了好久,终于发现坛友@jason10699003用过的一款就是我想要的,塑料面板也方便开孔,并且价格也便宜。就去淘了一个回来,到货后发现黑乎乎的面板做出来貌似也不会太好看。于是自己PS了面板,借鉴了ipod的设计,中间放了个带灯的按键,蓝色的LED看着也漂亮。设计好后的面板用彩色喷墨打印机打印出来。为了保护面板不被刮花又专门去淘了过塑机和冷裱膜,贴上膜后又漂亮又耐磨。由于按键不好安装,就用了触摸按键。至于后面板没有做装饰,反正也看不到,再说为了参赛时间上也来不及,暂时就先这样了。 ![]() ![]() PART2:电路选型 作为一个“资深”的DIY爱好者,尽量使用手头里的元器件和拆机件,实在没有的才去购买,所以可能不是最佳的选择。 1)接收部分:由于准备用PLL控制,就去坛友@大黄胖胖家的店铺淘了片基于LA1781的车机高频头,集成了AM/FM接收、立体声指示、电台信号(S-Meter)、中频输出(IF)等功能。需要购买链接的同学可以发短消息,就不贴在这里了。控制芯片是拆机的LC72135,该IC采用SANYO的CCB总线(真心麻烦)。 2)控制MCU:电台信号强度输出的是直流电压,需要使用有AD(模数转换)的单片机,因为要使用的I/O数量较多,就选用了STC12C5A60S2; 3)触摸部分:用4键的电容触摸芯片SC04A,感应部分可以直接粘在塑料壳子里面,不用开孔装按键了,用起来很是方便。 4)数字音量:因为仅需要控制音量,不需要高音、低音、平衡等功能,就选用了M62429,SO-8封装,程序也简单。 5)音频放大:TDA1308。据说还算不错的耳放芯片。 6)显示部分:开始打算用LCD1602,后来发现不太够用,就找了个12864的无字库液晶来用。 7)电源部分:电流只有100多毫安,用了一个以前淘汰的路由变压器,12V AC输出,整流滤波后经7808和7805输出收音头需要的8V和单片机等5V电源。 PART3:PCB设计 第一次玩这么“大型”的“工程”,并且LA1781、LC72135、SC04A芯片还是第一次接触,为了避免失败,决定采用模块化制作,方便查找及解决问题。 1)收音部分:先用电位器调压测试一下高频头,了解每个管脚的实际功能后再着手去做PCB。本部分集成了高频头、LC72135控制、M62429数字音量和TDA1308音频放大; ![]() ![]() 2)MCU最小系统板,这个没什么可说的。 ![]() ![]() 3)电源:为实现能开关“耗电大户”收音头部分(120ma),8V输出加了受单片机控制的mos开关。 ![]() 4)触摸部分:电路很简单,做出来的PCB也很小。 ![]() 5)本来还有时钟芯片DS3231和24C04存储的,PCB也做出来了,但时间来不及,暂时放弃。 PART4:调试程序(最困难的部分) LC72135的程序源自网络,但要想为己所用,还是需要相当的时间来理顺,尤其是楼主这样的业余爱好者。 重点说一下高频头的立体声指示输出脚(16)是和IF(19)是相关联的,19脚电平 5V : Seek mode 2.5V : Forced SD mode 0V : Reception mode。也就是说只有在19脚为低电平时,16脚才能输出正常的立体声指示。读取IF时要把19脚拉高。在这里纠结了很长时间。多亏了论坛大神@大黄胖胖的热心指导,感谢! 其余部分进行的还算顺利,但调试和连线也耗费了大量的时间和精力,图片为证 ![]() 由于是模块化制作,方便了调试但也造成了连线过多,看起来乱七八糟的样子。想重新制作完整的PCB时间也来不及,再说调试成功后失去了原有的动力,就先这样吧,反正在内部也看不到不影响颜值,留着以后再折腾吧! 全部制作完成开始装机,完成后的样子还算顺眼。 (图片上传超标了,视频好像也发不了) 本地的AM波段嘈杂声一片,基本没有收听价值,再说AM的音质楼主也接受不了,就只做了FM部分。自动搜台功能也写好了但没有使用,思路就是从87.5MHZ开始,频率每增加0.1MHZ去读一下中频看是否在10.7MHZ左右(误差自己设置,10Khz比较合适,大了搜到的台多,但很多没有收听价值),如果是就保存当前电台,搜索完后调用就行了。由于是DIY作品,就人工输入了本地有收听价值的电台,这样用起来省心。机器的灵敏度还算不错,常听的电台都能正常接收。音质嘛是很主观的东东,个人感觉还算好吧,触摸按键用起来还算顺手,这样一个可以正常使用的FM收音机就完成了。 楼主只是一个业余的无线电爱好者,全凭兴趣驱动。单片机也是自学未成才,以能实现功能为最高目标。BUG必然一大堆,欢迎各位坛友批评指正。 从开工到现在差不多有一个多月的时间了,有空就弄一点,看着自己的“作品”一点点的成形,还是非常愉悦的!由于严重低估了本“工程”的复杂程度,过年走亲访友喝酒又占去大部分的空闲时间,本以为完不成了,但总算赶在大赛截稿前完成了最基础的功能,还能搭上大赛的末班车,至于获不获奖就不重要了,玩的High才是真的好! 接收效果的视频演示:HTTP://v.youku.com/v_show/id_XMT ... e=0&from=y1.4-2 补上电路图和未上传完成的照片 热转印制板 ![]() ![]() 和矿坛网页合个影 ![]() 音频输出接口 ![]() 展示一下 ![]() ![]() 原创证明 ![]() ![]() 最后补上电路图 ![]() ![]() ![]() ![]() (责任编辑:admin) |




































