|
自动搜刮调频收音机与平凡调频收音机的首要区别就在于它们的调台方法差异。自动搜刮调频收音机回收电调谐方法选择电台,省去了可变电容器,配置了“搜刮”和“复位”两个轻触式按钮。行使时只要按下搜刮按钮,收音机就会自动搜刮电台,当它搜刮到一个电台后,会精确地调谐并遏制下来。假如想换一个电台,只需再次按下搜刮按钮,收音机就会继承向频率高端搜刮电台。当调谐到频率最高端后,就必要按下复位按钮,让收音机本振频率回到最低端才气从头开始搜刮电台。这种自动搜刮调频收音机行使利便,调谐精确,因为不行使可变电容器,以是行使寿命长(可变电容器轻易破坏),它的弱点是没有频率指示。

一、 电路的事变道理
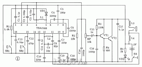
图1是自动搜刮调频收音机的电道理图。其焦点器件是一块TDA7088集成电路,这块集成电路中包括了调频收音机中从天线吸取、振荡器、混频器、AFC(频率自动节制)电路、中频放大器(中几回率为70kHz)、中频限幅器、中频滤波器、鉴频器、低频静噪电路、音频输出等所有成果,还专门设有搜刮调谐电路、信号检测电路及频率锁定环路。
代替可变电容器的是变容二极管,它是一种非凡的二极管。它的PN结电容跟着PN结上的偏压(反向电压)变革而改变。偏压增大,PN结变厚,PN结电容变小;偏压低落,PN结变薄,则PN结电容增大。因此改变PN结上的偏压,就可以改变PN结的电容。电路中变容二极管接在本机振荡电路上,就可以改变振荡频率。
由于集成电路中很难集成较大容量的电容器,以是集成电路外接的电容器较多。TDA7088集成电路的1脚接的电容器C1为静噪电容;3脚外接环路滤波元件;6脚上的C4为中频反馈电容;7脚上的C5为低通电容器;8脚为中频输出端;9脚为中频输入端;{10}脚上的C7为中频限幅放大器的低通电容;{15}脚为搜刮调谐输入端,C12为滤波电容器;{16}脚为电调谐、AFC输出端。
调频收音机的耳机线兼作天线,电台信号送入集成电路的第{11}脚和{12}脚,电感L2、电容器C8、C9、C10组成输入回路。电路的频率由L1、C3及变容二极管VD1抉择。混频后发生的70kHz中频信号经集成电路内的中频放大器、中频限幅器、中频滤波器、鉴频器后变为音频信号,由集成电路的第2脚输出,送到音量电位器上,再由电容器C15送到由三极管VT1、VT2等构成的低频放大电路中举办放大,敦促耳机发声。毗连耳机插座的电感器L3、L4是为了防备天线的信号被耳机旁路而配置的。发光二极管和电阻器R6构成电源表现电路。电容器C18和C19为电源滤波电路。电容器C17是用来改进音质的。
二、电路的建造
图2是自动搜刮调频收音机的元件安装表示图。
起首将16脚的双列微型扁平封装的集成电路TDA7088焊在电路板中的敷铜面上。因为集成电路管脚间隙很小,焊接时必然要异常警惕。可先将集成电路的管脚和电路板上的焊点镀锡,把电烙铁头上的焊锡抛弃后,将集成电路瞄准电路板上的焊接处(集成电路的1脚处在耳机插座的一方),用不带焊锡的电烙铁举办焊接。其次将4根跨线、5只电阻器、2只电感器焊到电路板上。再依次将17只电容器、2只电解电容器、2只三极管、变容二极管、2只线圈、电位器、耳机插座、轻触开关、发光二极管焊到电路板上。留意发光二极管的坎坷要与机壳相共同。最后用导线毗连电池打仗片的正负极。
全部元器件安装好并搜查无误后就可以举办调试。电路不接耳机时的耗电约为7mA,最大音量收听时总耗电为15mA阁下。调解线圈L1的疏密水平来调解收音机吸取频率的范畴。假如高频端的电台收不到,可以把线圈拉开一点;假如低频端的电台收不到,可以把线圈夹紧一点。因为自动搜刮调频收音机没有频率指示,以是可找一台平凡调频收音机举办频率比拟。
三、 组装
起首把电池打仗片装入外壳中。再把两个按钮装入外壳,使两个按钮一个低些,一个高些,别离对应搜刮按钮和复位按钮。再将电路板装入外壳,并用螺丝牢靠。最后装电位器的旋钮。
(责任编辑:admin) |