最好的电子音响科技diy制作网站

haoDIY_音响电子电脑科技DIY小制作发明

【参赛】DIY 数字FM收音机

时间:2017-08-10 14:43来源:www.crystalradio.cn 作者:HenryYam 点击:
【参赛】DIY 数字FM收音机 ,矿石收音机论坛
DIY 数字FM收音机

市场上能买到的收音机的人机操作界面总是不尽如人意。或者液晶显示屏视角太窄,或者显示图形单一呆板,或者信号幅度不用图形而用数字表示,或者按键操作不够舒适自然,没有按键灯晚上操作不方便等等。因此,制作一台界面按照自己的要求设计的收音机就成为了收音机爱好者的一个梦。前两个月,我忙中偷闲利用一台红灯754的外壳和喇叭等改造制作了一台这样的收音机。

【参赛】DIY 数字FM收音机

【参赛】DIY 数字FM收音机 

【参赛】DIY 数字FM收音机

【参赛】DIY 数字FM收音机

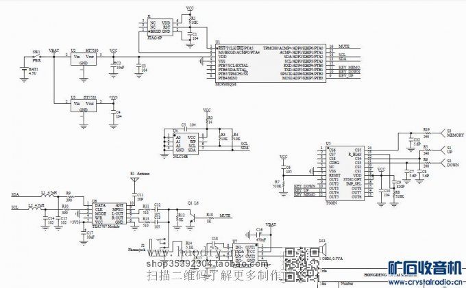
收音机电路主要由TEA5767收音模块、TDA2822M功放IC、24LC16B存储IC、TS08N电容式触摸按键IC、1.3寸12864 OLED显示屏和主控单片机MC9S08QG8等组成。只利用了红灯754原来的外壳、喇叭、音量电位器、电池仓、天线等。

【参赛】DIY 数字FM收音机

电路原理图:

见附件。
【参赛】DIY 数字FM收音机

TEA5767是飞利浦公司的收音机芯片,特点是体积小、外围电路简单、用IIC总线控制所有功能;音频输出高低频均衡、失真较小,音质有保证。由于采用QFN封装因此手工焊接比较困难,幸运的是用这个芯片做的收音模块很容易买到,也很便宜。

1.3英寸的128x64点阵的OLED显示屏,对于红灯754窗口来说大小合适,能显示的数字大小也足够清楚了,关键它是自发光的不需要背光板,因此不仅厚度很薄(太厚了754调谐盘前的空间装不下),显示视角更宽,看起来很舒服。价格虽比液晶屏贵了近一倍,但是算上背光板的成本后就差别不大了。用点阵显示屏的最大优点是,可以根据喜好设计漂亮的图标和界面。目前只设计了最基本的最简单的界面,更漂亮的界面和图标待有时间时再做。

【参赛】DIY 数字FM收音机



【参赛】DIY 数字FM收音机

电容式非压力式触摸按键是另一个亮点。这个触摸IC的感应能力可以穿透8mm厚的玻璃!抗干扰能力也很强,曾被海尔用于洗衣机产品上。用它做按键,基本上所有外壳都可以放心用了。触控灵敏度可以通过电路上并联的电容量来调节,直至手感最佳为止。

数字收音机的最大优势是,能设计出丰富多彩的功能。比如,除了显示基本的频率、存储位置之外,还能用图标精细地显示电池电量、信号强度(非呆板的数字显示),可以自动搜台、定时开关机等等。当然,目前的功能还只是基本的,更加丰富的功能有待继续开发。

另外,这套电路比较简洁,较适合改装旧的收音机(利用原来的外壳和喇叭结构,这两个往往是业余条件下最难解决的)。红灯754的结构设计比较经典,声音很耐听,但只用来听AM就可惜了,所以我把它改造成了FM数字收音机,充分挖掘了这款经典收音机的巨大潜能。TDA2822 BTL输出功率充足,最大不失真输出时完全可以满足20平米左右房间的听音需求,音质可与小型组合音响媲美。现在它是我最喜欢的床头机。

源代码:



补充内容 (2014-2-13 19:53):
多余的最下面一幅图已经删不掉了,大家忽略它就是了。


补充内容 (2014-2-13 19:58):
另外,有朋友说754的外观很经典,增加的OLED屏煞了风景,问我能否用原来的指针来做FM频率指示?我想可以利用原来中波电路的本振频率,单片机读取后线性对应到FM覆盖频率范围即可。但调谐盘要自己加FM部分刻度数字。
 

触摸电极位置.JPG (59.12 KB, 下载次数: 74)

 

【参赛】DIY 数字FM收音机

(责任编辑:admin)
织梦二维码生成器
顶一下
(0)
0%
踩一下
(0)
0%
------分隔线----------------------------
发表评论
请自觉遵守互联网相关的政策法规,严禁发布色情、暴力、反动的言论。
评价:
表情:
用户名: 验证码:点击我更换图片
栏目列表
推荐内容