|
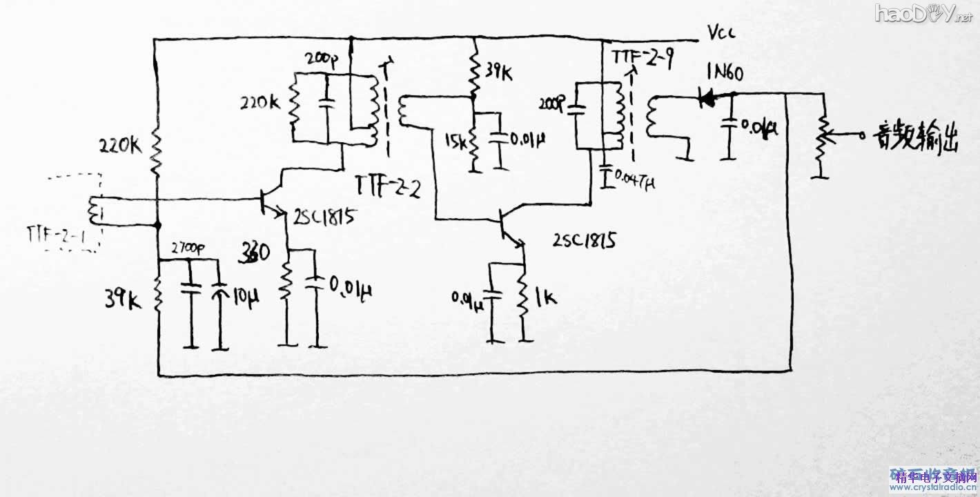
小时候就想做收音机,可惜处在小地方,没那个条件。虽然后来买过套件来圆那个梦,竟然没有装响!这几年DIY积攒了不少元件,工具也逐渐齐备了,理论知识也比以前明白了很多,自己设计制作一个应该不难吧! 不可缺少的磁棒、可变电容、中周都从网上买到了,再参考一些老收音机的电路图,以及学习了日本人写的收音机电路设计与制作的书,也就有了大体的设计。管子用2SC1815这个常用的东西看看,检波用1N60,音频放大用TDA2822搞定来得简单。电路参数结合实际实验来确定。最后算是试验成功了,虽然还有点小问题……
最开始是搭一个调谐回路。根据270pF可变电容容量计算和中波段的频率覆盖,计算出需要大约25pF并联在双连上,磁棒线圈电感应该是311uH. 没有25pF微调就上了20pF的,线圈是用从天津安悦买的绕好的,拿前阵子DIY的电容电感表一测,380多uH了!于是初级拆了几圈,配140mm磁棒好像差不多。双连可变电容跟两个微调电容装在一个小敷铜板上,然后用螺丝固定在底板上。底板其实是一个塑料防水盒的盖子 搭好调谐回路就能玩直放机了!拿TA7642直接上,能听了,但是639kHz中国之声的信号在整个频段都又影响。目标是超外差,下面得做变频。
变频的电路是很典型的,书上说变频管电流应该在0.3--0.6mA. 我准备用4节Ni-MH电池供电,Vcc按照5V考虑。用一个红色LED做基极偏压,起到一定的稳压作用。射极电阻2.2k, 这样工作电流差不多。因为2SC1815的hFE高(三百多了),我在发射极到振荡线圈之间再串联了一个电阻。 为了确定这个电阻大小,我用示波器观察2.2k电阻上的交流电压波形,希望让峰值在100mV的样子,这样确定用150欧的电阻。变频级单独做在一小块电路板上,第一中周也装在上面。后面当然可以接TA7642咯——这样也是超外差的。搭好后我用收音机PL350来检查本振信号,并借助它调整频率范围(调LTF-2-3磁芯和双连振荡连并联的微调电容)。奇怪的是调好后639kHz强台中国之声的广播声还是很小,大大弱于7642直放机。不同步的问题?移动了一下磁棒上的线圈,声音就大了——超外差选择性体现出来了。不过这样整机灵敏度还是弱于7642直放。 当然还要做中放的,TA7642仅仅用来测试。再用一只2SC1815搭棚搭了个放大测试了一下,对灵敏度提升很明显。下面再用一块线路板做两级中放,并加入简单的AGC. 因为搭棚实验中调整2SC1815的工作电流的确增益有变化,它应该有AGC能力。中放管的静态工作点待实验确定吧。
变频级和中放级两PCB连接起来的样子:
|



搭好调谐回路就能玩直放机了!拿TA7642直接上,能听了,但是639kHz中国之声的信号在整个频段都又影响。目标是超外差,下面得做变频。
























